LEMON Manuals: Even more car manuals for everyone: 1960-2025
Home >> Lexus >> 2011 >> IS 350C >> Repair and Diagnosis >> Engine Mechanical >> Auxiliary Emission Control Systems >> Emission Control System (Inspection) >> Emission Control System >> System Diagram >> System Diagram
April 5, 2026: LEMON Manuals is launched! Read the announcement.

System Diagram

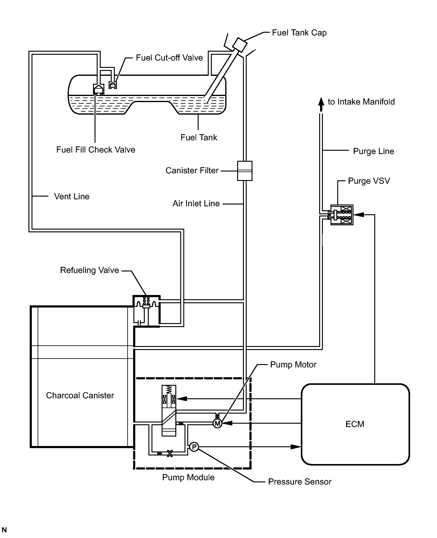
  1. EVAP CONTROL SYSTEM DIAGRAM 
    Fig 1: EVAP Control System Diagram
    GTY281161Courtesy of © TOYOTA, LICENSE AGREEMENT TMS1002
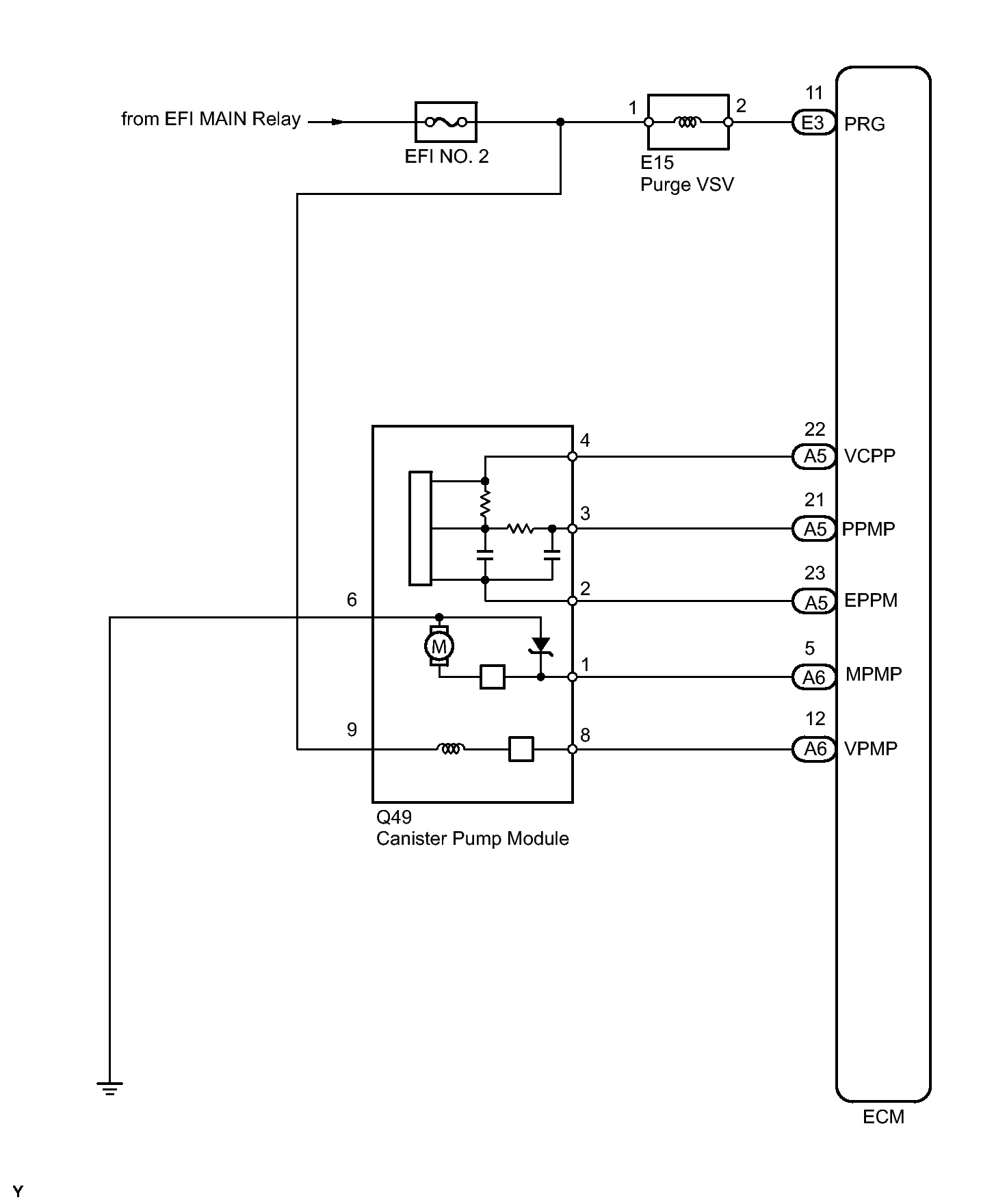
  2. EVAP SYSTEM WIRING DIAGRAM 
    Fig 2: EVAP System Wiring Diagram
    GTY266746Courtesy of © TOYOTA, LICENSE AGREEMENT TMS1002