LEMON Manuals: Even more car manuals for everyone: 1960-2025
Home >> Lexus >> 2011 >> IS F >> Repair and Diagnosis (Single Page) >> Electrical >> Body Electrical >> OEM System Circuits >> Taillight >> Notes
April 5, 2026: LEMON Manuals is launched! Read the announcement.

OEM System Circuits: Taillight: Notes

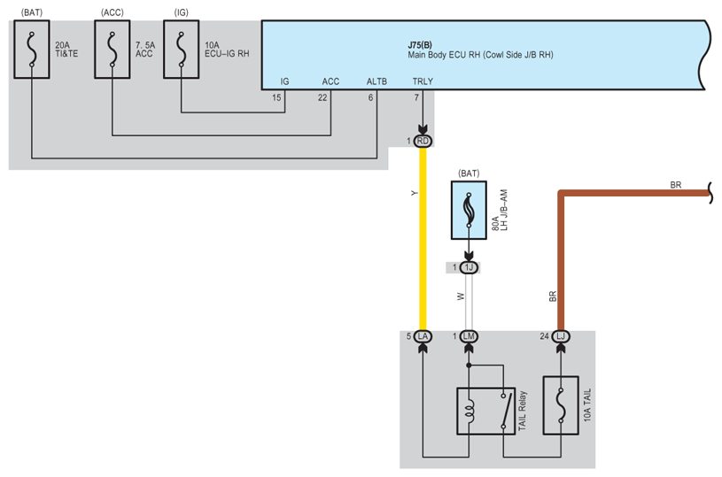
Fig 1: Taillight - Circuit Diagram (1 Of 8)
G07580029Courtesy of © TOYOTA, LICENSE AGREEMENT TMS1002
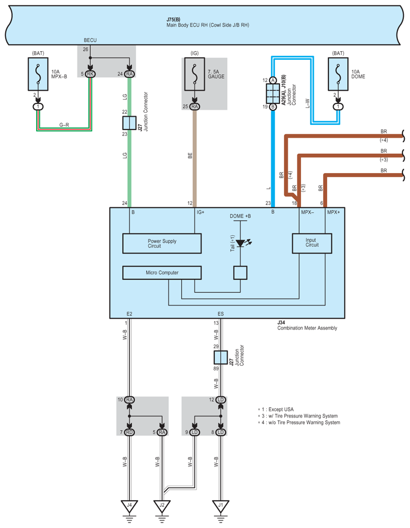
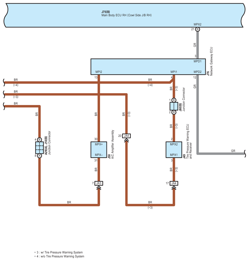
Fig 2: Taillight - Circuit Diagram (2 Of 8)
G07580030Courtesy of © TOYOTA, LICENSE AGREEMENT TMS1002
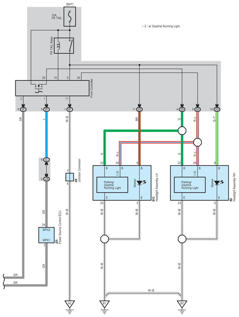
Fig 3: Taillight - Circuit Diagram (3 Of 8)
G07580031Courtesy of © TOYOTA, LICENSE AGREEMENT TMS1002
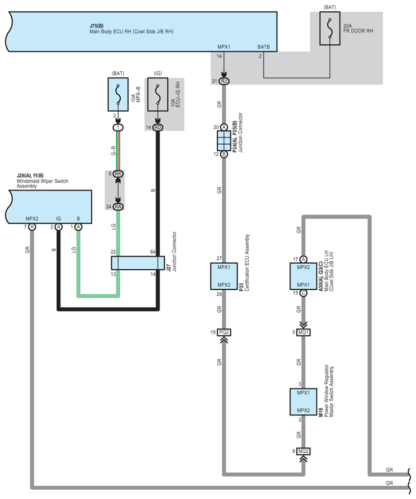
Fig 4: Taillight - Circuit Diagram (4 Of 8)
G07580032Courtesy of © TOYOTA, LICENSE AGREEMENT TMS1002
Fig 5: Taillight - Circuit Diagram (5 Of 8)
G07580033Courtesy of © TOYOTA, LICENSE AGREEMENT TMS1002
Fig 6: Taillight - Circuit Diagram (6 Of 8)
G07580034Courtesy of © TOYOTA, LICENSE AGREEMENT TMS1002
Fig 7: Taillight - Circuit Diagram (7 Of 8)
G07580035Courtesy of © TOYOTA, LICENSE AGREEMENT TMS1002
Fig 8: Taillight - Circuit Diagram (8 Of 8)
G07580036Courtesy of © TOYOTA, LICENSE AGREEMENT TMS1002