LEMON Manuals: Even more car manuals for everyone: 1960-2025
Home >> Lexus >> 2011 >> IS F >> Repair and Diagnosis >> Accessories & Equipment >> Communication Devices >> Multiplex Communication System (Diagnostics Codes) >> Multiplex Communication System >> DTC B1296: Front Light ECU Communication Stop >> Wiring Diagram
April 5, 2026: LEMON Manuals is launched! Read the announcement.

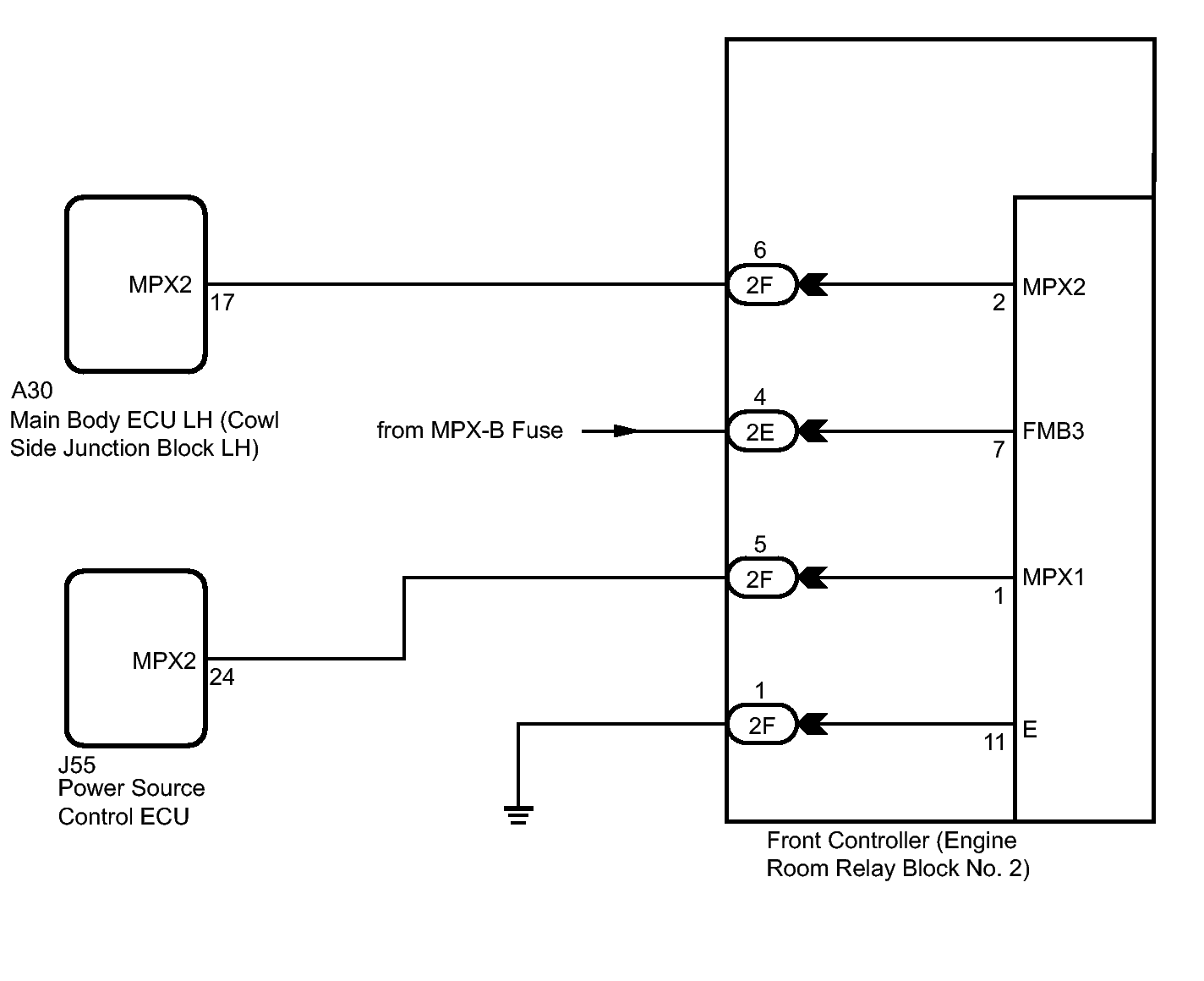
DTC B1296: Front Light ECU Communication Stop: Wiring Diagram

Fig 1: Identifying Power Source Control ECU - Wiring Diagram
GTY114657Courtesy of © TOYOTA, LICENSE AGREEMENT TMS1002