LEMON Manuals: Even more car manuals for everyone: 1960-2025
Home >> Lexus >> 2011 >> IS F >> Repair and Diagnosis >> Electrical >> Body Electrical >> OEM Ground Points >> Ground Point >> Notes
April 5, 2026: LEMON Manuals is launched! Read the announcement.

Ground Point: Notes

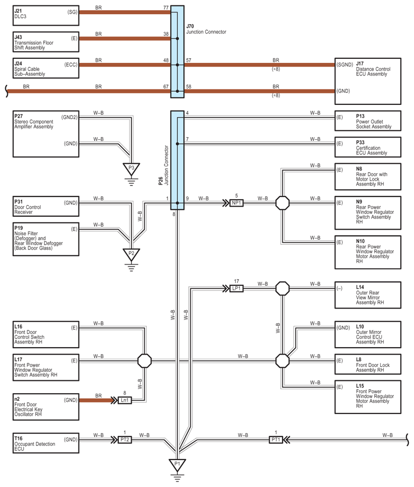
Fig 1: Ground Point - Wiring Diagram (1 Of 9)
G07580241Courtesy of © TOYOTA, LICENSE AGREEMENT TMS1002
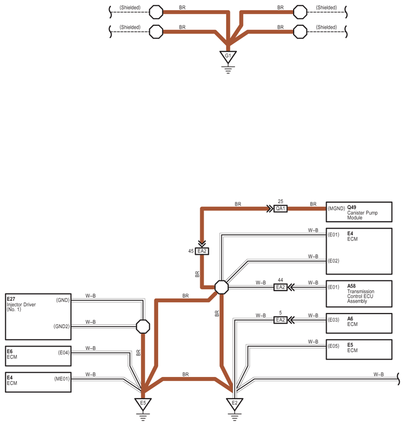
Fig 2: Ground Point - Wiring Diagram (2 Of 9)
G07580242Courtesy of © TOYOTA, LICENSE AGREEMENT TMS1002
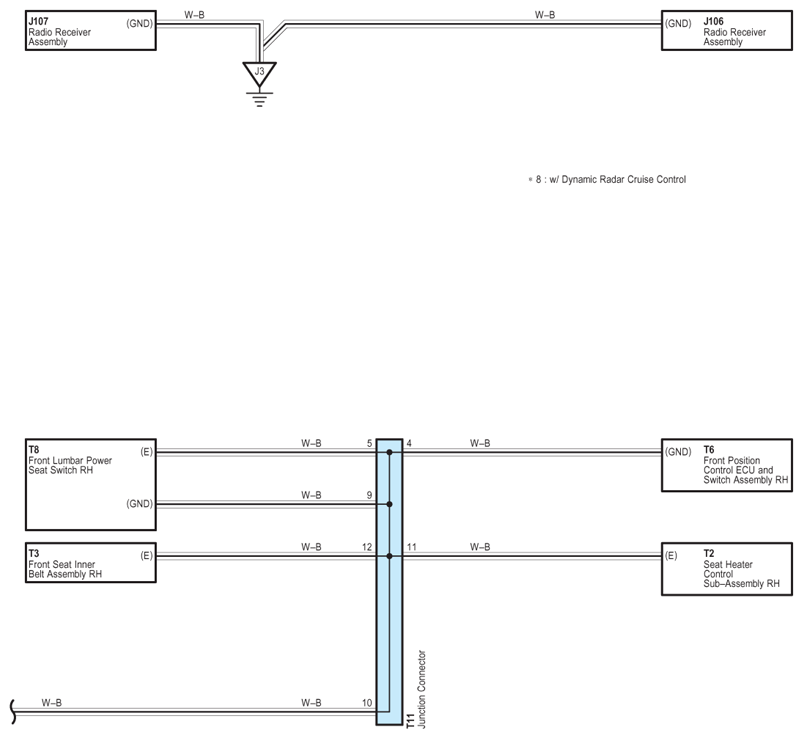
Fig 3: Ground Point - Wiring Diagram (3 Of 9)
G07580243Courtesy of © TOYOTA, LICENSE AGREEMENT TMS1002
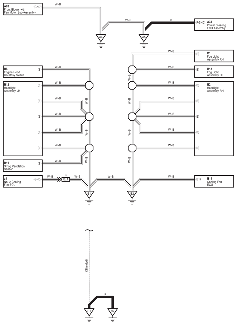
Fig 4: Ground Point - Wiring Diagram (4 Of 9)
G07580244Courtesy of © TOYOTA, LICENSE AGREEMENT TMS1002
Fig 5: Ground Point - Wiring Diagram (5 Of 9)
G07580245Courtesy of © TOYOTA, LICENSE AGREEMENT TMS1002
Fig 6: Ground Point - Wiring Diagram (6 Of 9)
G07580246Courtesy of © TOYOTA, LICENSE AGREEMENT TMS1002
Fig 7: Ground Point - Wiring Diagram (7 Of 9)
G07580247Courtesy of © TOYOTA, LICENSE AGREEMENT TMS1002
Fig 8: Ground Point - Wiring Diagram (8 Of 9)
G07580248Courtesy of © TOYOTA, LICENSE AGREEMENT TMS1002
Fig 9: Ground Point - Wiring Diagram (9 Of 9)
G07580249Courtesy of © TOYOTA, LICENSE AGREEMENT TMS1002