LEMON Manuals: Even more car manuals for everyone: 1960-2025
Home >> Lexus >> 2011 >> IS F >> Repair and Diagnosis >> Engine Performance >> Testing & Diagnosis >> Engine Control System (Diagnostics - Introduction) >> SFI System >> System Diagram >> System Diagram
April 5, 2026: LEMON Manuals is launched! Read the announcement.

System Diagram

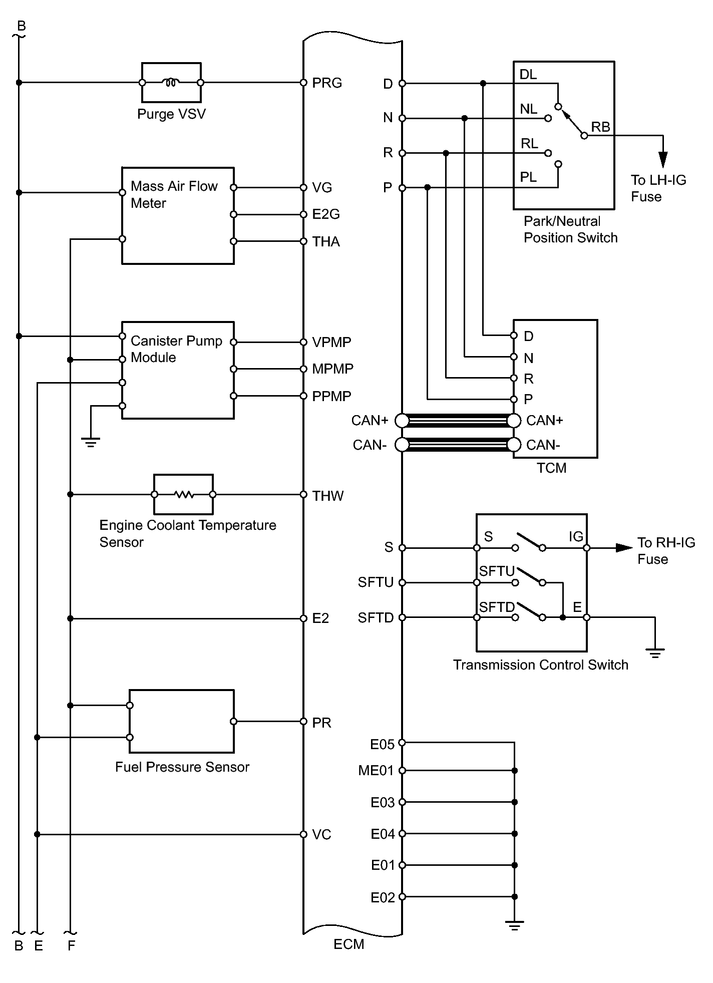
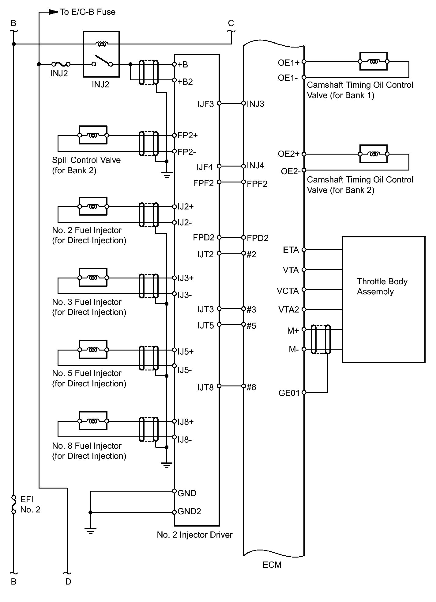
Fig 1: SFI Wiring Diagram (1 Of 7)
GTY255279Courtesy of © TOYOTA, LICENSE AGREEMENT TMS1002
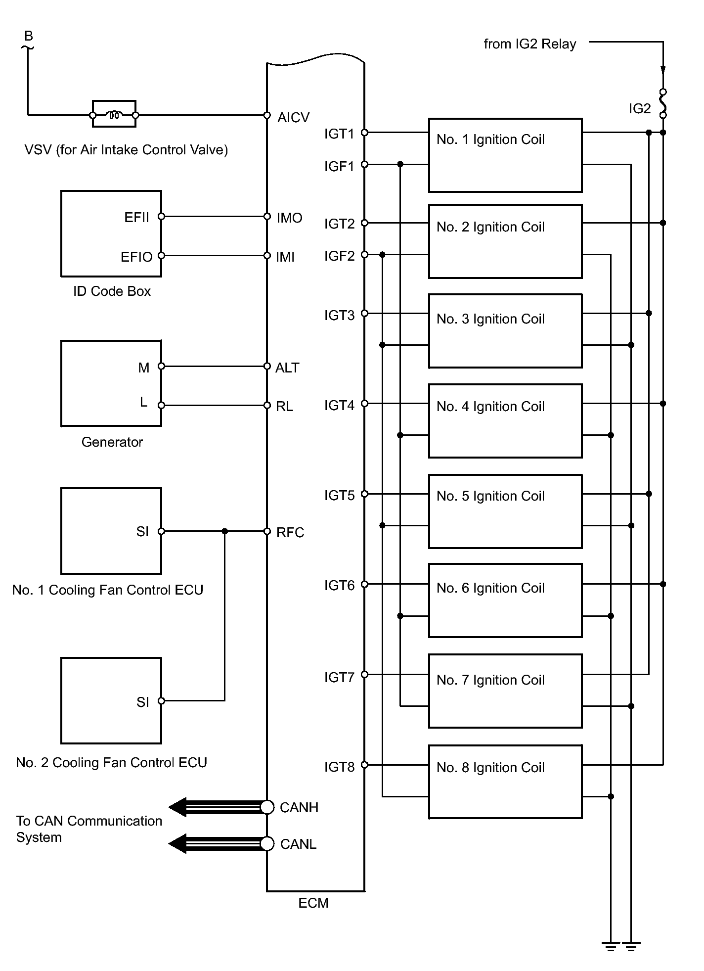
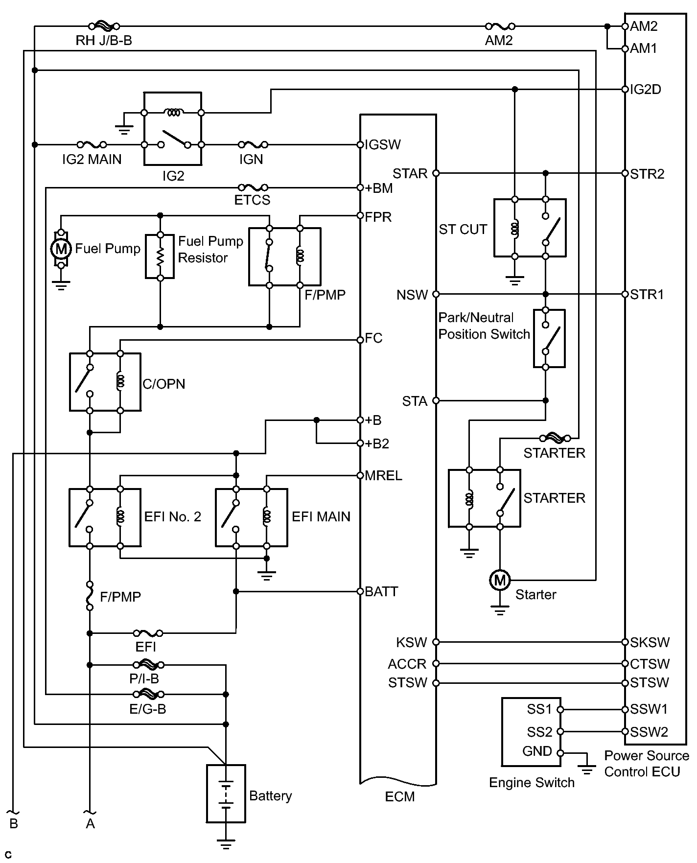
Fig 2: SFI Wiring Diagram (2 Of 7)
GTY280700Courtesy of © TOYOTA, LICENSE AGREEMENT TMS1002
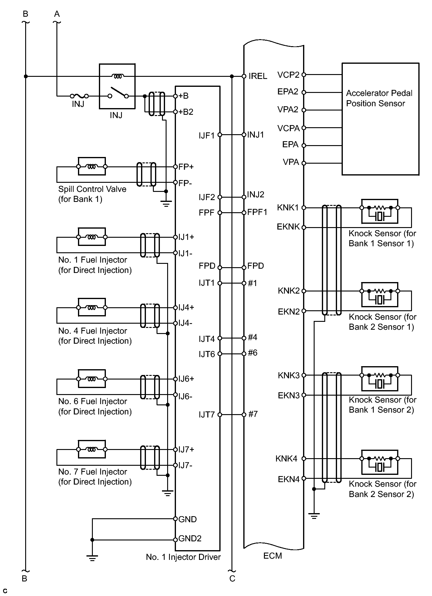
Fig 3: SFI Wiring Diagram (3 Of 7)
GTY270775Courtesy of © TOYOTA, LICENSE AGREEMENT TMS1002
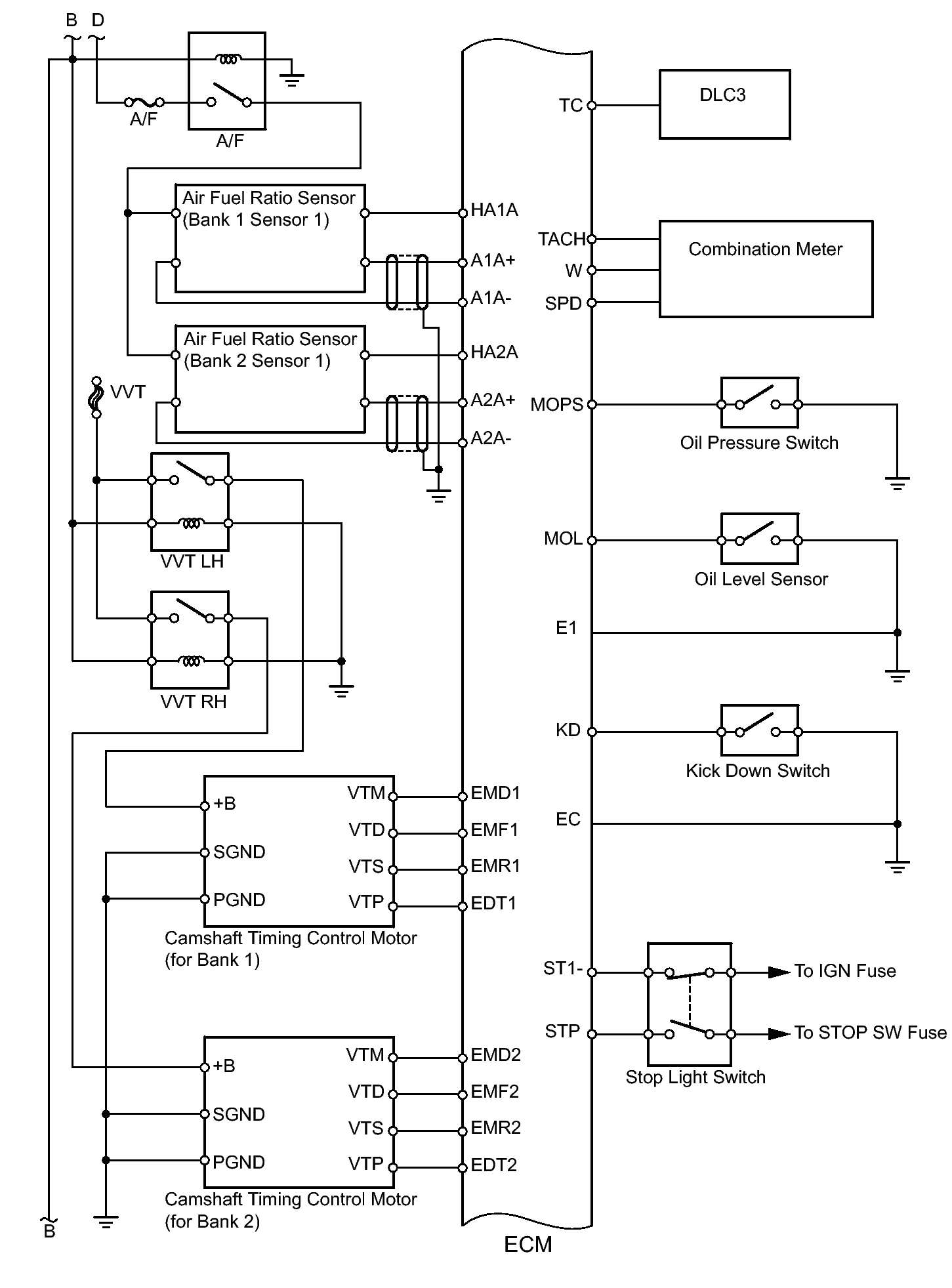
Fig 4: SFI Wiring Diagram (4 Of 7)
GTY257523Courtesy of © TOYOTA, LICENSE AGREEMENT TMS1002
Fig 5: SFI Wiring Diagram (5 Of 7)
GTY350835Courtesy of © TOYOTA, LICENSE AGREEMENT TMS1002
Fig 6: SFI Wiring Diagram (6 Of 7)
GTY277107Courtesy of © TOYOTA, LICENSE AGREEMENT TMS1002
Fig 7: SFI Wiring Diagram (7 Of 7)
GTY353024Courtesy of © TOYOTA, LICENSE AGREEMENT TMS1002