LEMON Manuals: Even more car manuals for everyone: 1960-2025
Home >> Lexus >> 2011 >> IS F >> Repair and Diagnosis >> External Pages >> Different car >> Section 99 (Audio / Visual System (Symptom Tests (Cont.)) >> Audio And Visual System >> Symptom Tests >> Steering Pad Switch Circuit (TO 12/2010) >> Wiring Diagram
April 5, 2026: LEMON Manuals is launched! Read the announcement.

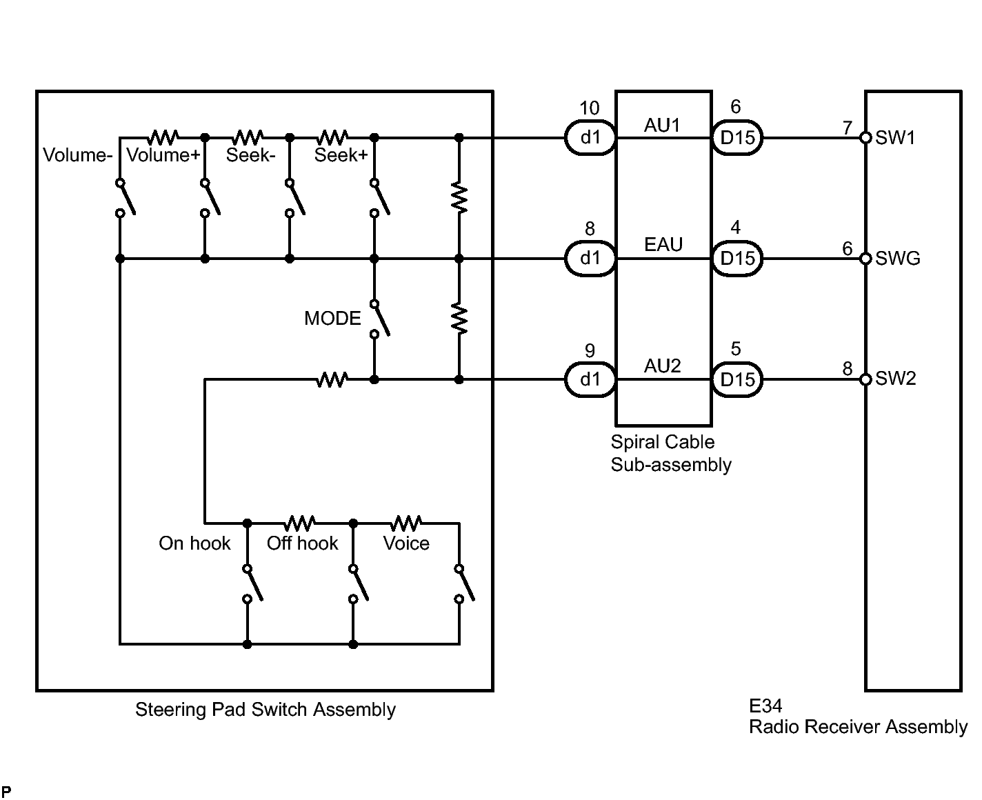
Steering Pad Switch Circuit (TO 12/2010): Wiring Diagram

WARNING: This page is about a different car, the 2011 Toyota Avalon. However, it is still accessible from the selected car via links, so may be relevant.
Fig 1: Steering Pad Switch Circuit Diagram
GTY294943Courtesy of © TOYOTA, LICENSE AGREEMENT TMS1002