LEMON Manuals: Even more car manuals for everyone: 1960-2025
Home >> Lexus >> 2011 >> LS 460 AWD >> Repair and Diagnosis (Single Page) >> Electrical >> Body Electrical >> OEM System Circuits >> Door Lock Control >> Notes
April 5, 2026: LEMON Manuals is launched! Read the announcement.

Door Lock Control: Notes

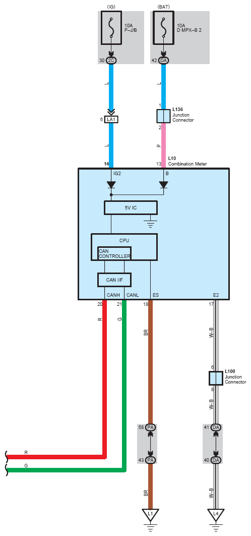
Fig 1: Door Lock Control - Circuit Diagram (1 Of 8)
G07564913Courtesy of © TOYOTA, LICENSE AGREEMENT TMS1002
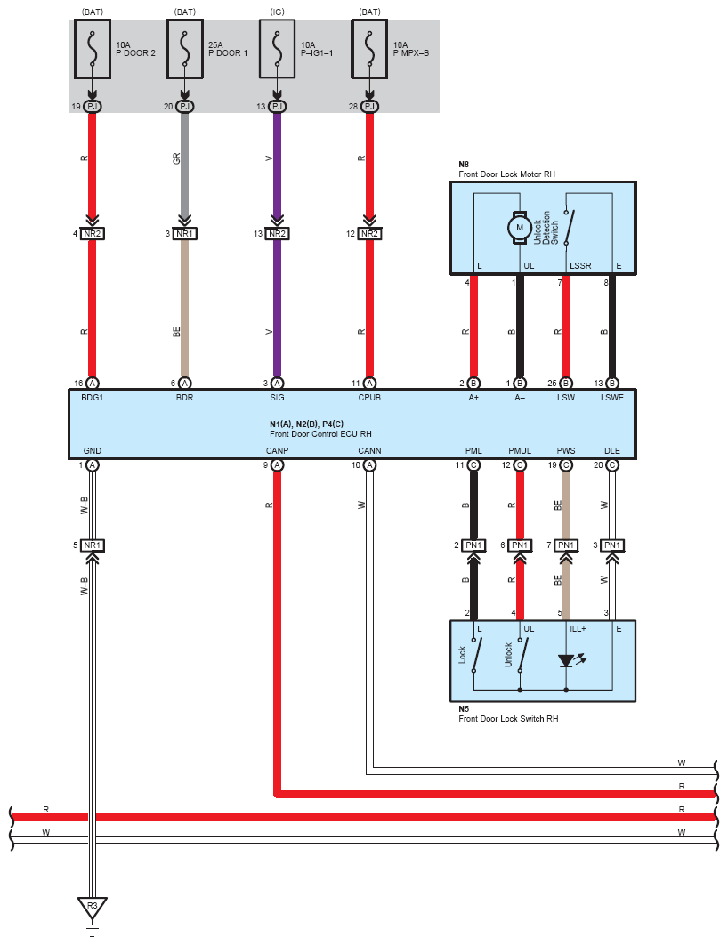
Fig 2: Door Lock Control - Circuit Diagram (2 Of 8)
G07564914Courtesy of © TOYOTA, LICENSE AGREEMENT TMS1002
Fig 3: Door Lock Control - Circuit Diagram (3 Of 8)
G07564915Courtesy of © TOYOTA, LICENSE AGREEMENT TMS1002
Fig 4: Door Lock Control - Circuit Diagram (4 Of 8)
G07564916Courtesy of © TOYOTA, LICENSE AGREEMENT TMS1002
Fig 5: Door Lock Control - Circuit Diagram (5 Of 8)
G07564917Courtesy of © TOYOTA, LICENSE AGREEMENT TMS1002
Fig 6: Door Lock Control - Circuit Diagram (6 Of 8)
G07564918Courtesy of © TOYOTA, LICENSE AGREEMENT TMS1002
Fig 7: Door Lock Control - Circuit Diagram (7 Of 8)
G07564919Courtesy of © TOYOTA, LICENSE AGREEMENT TMS1002
Fig 8: Door Lock Control - Circuit Diagram (8 Of 8)
G07564920Courtesy of © TOYOTA, LICENSE AGREEMENT TMS1002