LEMON Manuals: Even more car manuals for everyone: 1960-2025
Home >> Lexus >> 2011 >> LS 460 AWD >> Repair and Diagnosis >> Electrical >> Body Electrical >> OEM System Circuits >> Electronically Controlled Transmission and A/T Indicator >> Notes
April 5, 2026: LEMON Manuals is launched! Read the announcement.

Electronically Controlled Transmission and A/T Indicator: Notes

Fig 1: Electronically Controlled Transmission And A/T Indicator - Circuit Diagram (1 Of 14)
G07564935Courtesy of © TOYOTA, LICENSE AGREEMENT TMS1002
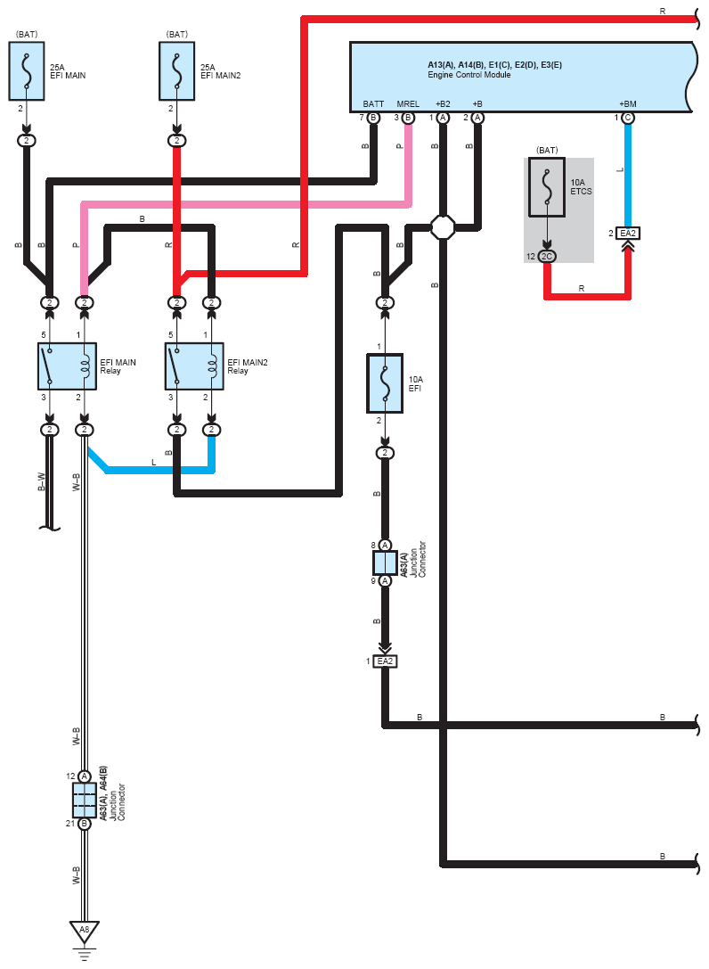
Fig 2: Electronically Controlled Transmission And A/T Indicator - Circuit Diagram (2 Of 14)
G07564936Courtesy of © TOYOTA, LICENSE AGREEMENT TMS1002
Fig 3: Electronically Controlled Transmission And A/T Indicator - Circuit Diagram (3 Of 14)
G07564937Courtesy of © TOYOTA, LICENSE AGREEMENT TMS1002
Fig 4: Electronically Controlled Transmission And A/T Indicator - Circuit Diagram (4 Of 14)
G07564938Courtesy of © TOYOTA, LICENSE AGREEMENT TMS1002
Fig 5: Electronically Controlled Transmission And A/T Indicator - Circuit Diagram (5 Of 14)
G07564939Courtesy of © TOYOTA, LICENSE AGREEMENT TMS1002
Fig 6: Electronically Controlled Transmission And A/T Indicator - Circuit Diagram (6 Of 14)
G07564940Courtesy of © TOYOTA, LICENSE AGREEMENT TMS1002
Fig 7: Electronically Controlled Transmission And A/T Indicator - Circuit Diagram (7 Of 14)
G07564941Courtesy of © TOYOTA, LICENSE AGREEMENT TMS1002
Fig 8: Electronically Controlled Transmission And A/T Indicator - Circuit Diagram (8 Of 14)
G07564942Courtesy of © TOYOTA, LICENSE AGREEMENT TMS1002
Fig 9: Electronically Controlled Transmission And A/T Indicator - Circuit Diagram (9 Of 14)
G07564943Courtesy of © TOYOTA, LICENSE AGREEMENT TMS1002
Fig 10: Electronically Controlled Transmission And A/T Indicator - Circuit Diagram (10 Of 14)
G07564944Courtesy of © TOYOTA, LICENSE AGREEMENT TMS1002
Fig 11: Electronically Controlled Transmission And A/T Indicator - Circuit Diagram (11 Of 14)
G07564945Courtesy of © TOYOTA, LICENSE AGREEMENT TMS1002
Fig 12: Electronically Controlled Transmission And A/T Indicator - Circuit Diagram (12 Of 14)
G07564946Courtesy of © TOYOTA, LICENSE AGREEMENT TMS1002
Fig 13: Electronically Controlled Transmission And A/T Indicator - Circuit Diagram (13 Of 14)
G07564947Courtesy of © TOYOTA, LICENSE AGREEMENT TMS1002
Fig 14: Electronically Controlled Transmission And A/T Indicator - Circuit Diagram (14 Of 14)
G07564948Courtesy of © TOYOTA, LICENSE AGREEMENT TMS1002