LEMON Manuals: Even more car manuals for everyone: 1960-2025
Home >> Lexus >> 2011 >> LS 460 AWD >> Repair and Diagnosis >> Engine Mechanical >> Starter >> Starting System (Introduction) >> Starting System >> System Diagram >> System Diagram
April 5, 2026: LEMON Manuals is launched! Read the announcement.

System Diagram

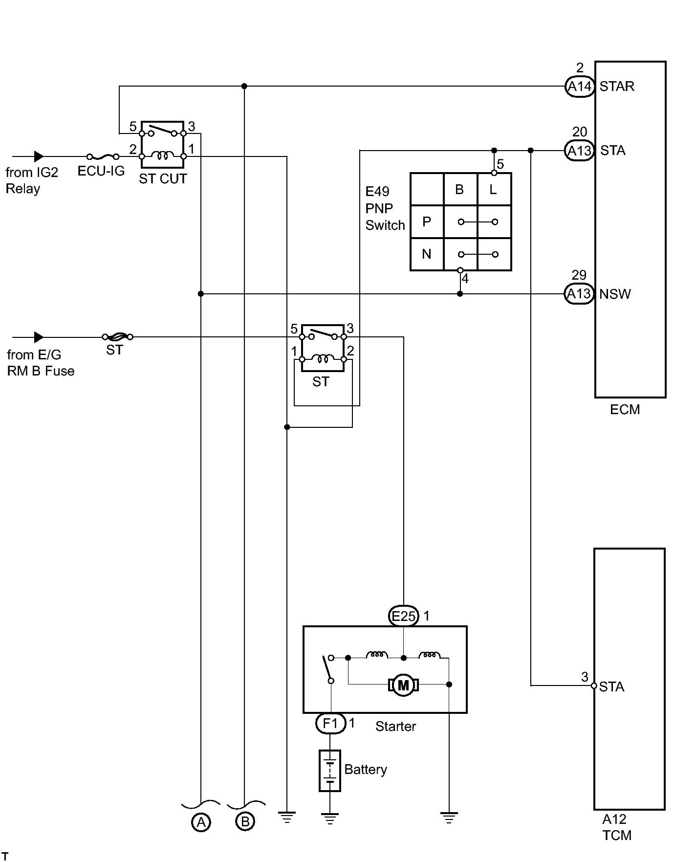
Fig 1: Starting System Wiring Diagram (1 Of 2)
GTY258335Courtesy of © TOYOTA, LICENSE AGREEMENT TMS1002
Fig 2: Starting System Wiring Diagram (2 Of 2)
GTY279189Courtesy of © TOYOTA, LICENSE AGREEMENT TMS1002