LEMON Manuals: Even more car manuals for everyone: 1960-2025
Home >> Lexus >> 2011 >> LS 460 RWD >> Repair and Diagnosis (Single Page) >> Electrical >> Body Electrical >> OEM System Circuits >> Electric Power Control System >> Notes
April 5, 2026: LEMON Manuals is launched! Read the announcement.

Electric Power Control System: Notes

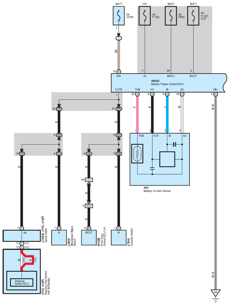
Fig 1: Electric Power Control System - Circuit Diagram (1 Of 2)
G07564833Courtesy of © TOYOTA, LICENSE AGREEMENT TMS1002
Fig 2: Electric Power Control System - Circuit Diagram (2 Of 2)
G07564834Courtesy of © TOYOTA, LICENSE AGREEMENT TMS1002