LEMON Manuals: Even more car manuals for everyone: 1960-2025
Home >> Lexus >> 2011 >> LS 460 RWD >> Repair and Diagnosis >> Engine Mechanical >> Mechanical >> Engine Intake System (Inspection) >> Intake System >> System Diagram >> System Diagram
April 5, 2026: LEMON Manuals is launched! Read the announcement.

System Diagram

Fig 1: Intake - System Diagram
GTY288272Courtesy of © TOYOTA, LICENSE AGREEMENT TMS1002
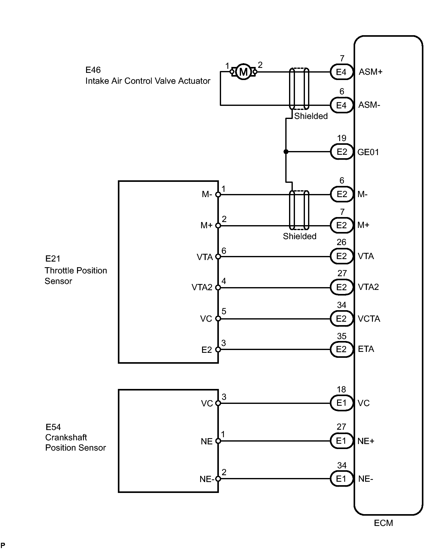
Fig 2: Intake System - Wiring Diagram
GTY269312Courtesy of © TOYOTA, LICENSE AGREEMENT TMS1002