LEMON Manuals: Even more car manuals for everyone: 1960-2025
Home >> Lexus >> 2011 >> LS 460L AWD >> Repair and Diagnosis >> Electrical >> Body Electrical >> OEM System Circuits >> Power Tilt and Power Telescopic >> Notes
April 5, 2026: LEMON Manuals is launched! Read the announcement.

Power Tilt and Power Telescopic: Notes

Fig 1: Power Tilt And Power Telescopic - Circuit Diagram (1 Of 8)
G07565138Courtesy of © TOYOTA, LICENSE AGREEMENT TMS1002
Fig 2: Power Tilt And Power Telescopic - Circuit Diagram (2 Of 8)
G07565139Courtesy of © TOYOTA, LICENSE AGREEMENT TMS1002
Fig 3: Power Tilt And Power Telescopic - Circuit Diagram (3 Of 8)
G07565140Courtesy of © TOYOTA, LICENSE AGREEMENT TMS1002
Fig 4: Power Tilt And Power Telescopic - Circuit Diagram (4 Of 8)
G07565141Courtesy of © TOYOTA, LICENSE AGREEMENT TMS1002
Fig 5: Power Tilt And Power Telescopic - Circuit Diagram (5 Of 8)
G07565142Courtesy of © TOYOTA, LICENSE AGREEMENT TMS1002
Fig 6: Power Tilt And Power Telescopic - Circuit Diagram (6 Of 8)
G07565143Courtesy of © TOYOTA, LICENSE AGREEMENT TMS1002
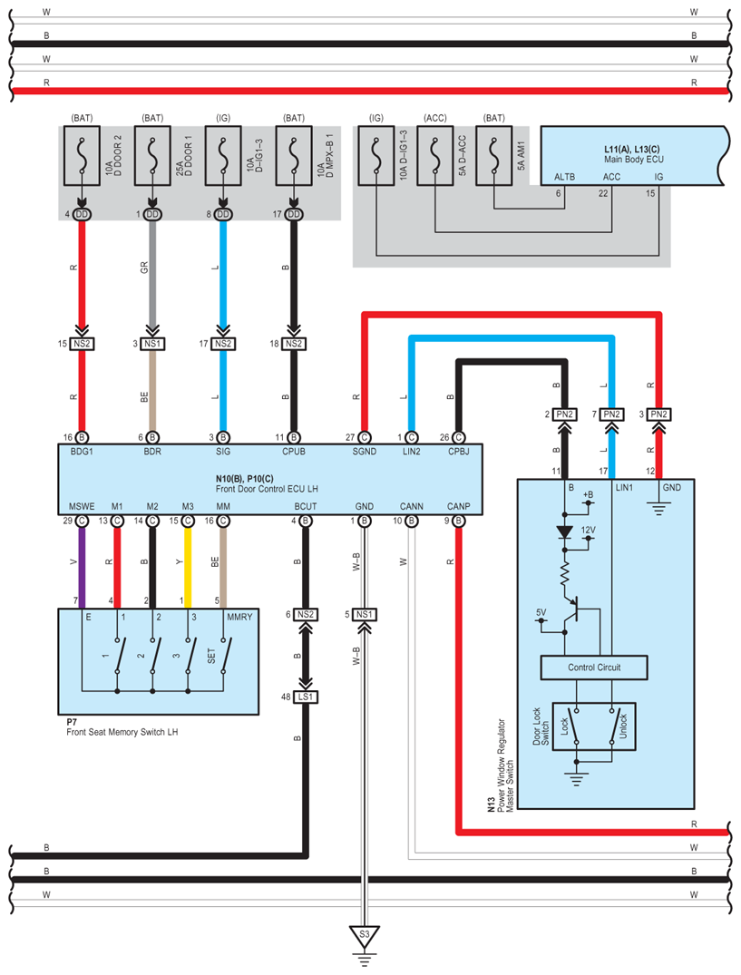
Fig 7: Power Tilt And Power Telescopic - Circuit Diagram (7 Of 8)
G07565144Courtesy of © TOYOTA, LICENSE AGREEMENT TMS1002
Fig 8: Power Tilt And Power Telescopic - Circuit Diagram (8 Of 8)
G07565145Courtesy of © TOYOTA, LICENSE AGREEMENT TMS1002