LEMON Manuals: Even more car manuals for everyone: 1960-2025
Home >> Lexus >> 2011 >> LS 460L AWD >> Repair and Diagnosis >> External Pages >> Different car >> Section 110 (OEM Ground Points) >> Ground Point >> Notes
April 5, 2026: LEMON Manuals is launched! Read the announcement.

Ground Point: Notes

WARNING: This page is about a different car, the 2010 Lexus LS 460L and 2010 Lexus LS 460. However, it is still accessible from the selected car via links, so may be relevant.
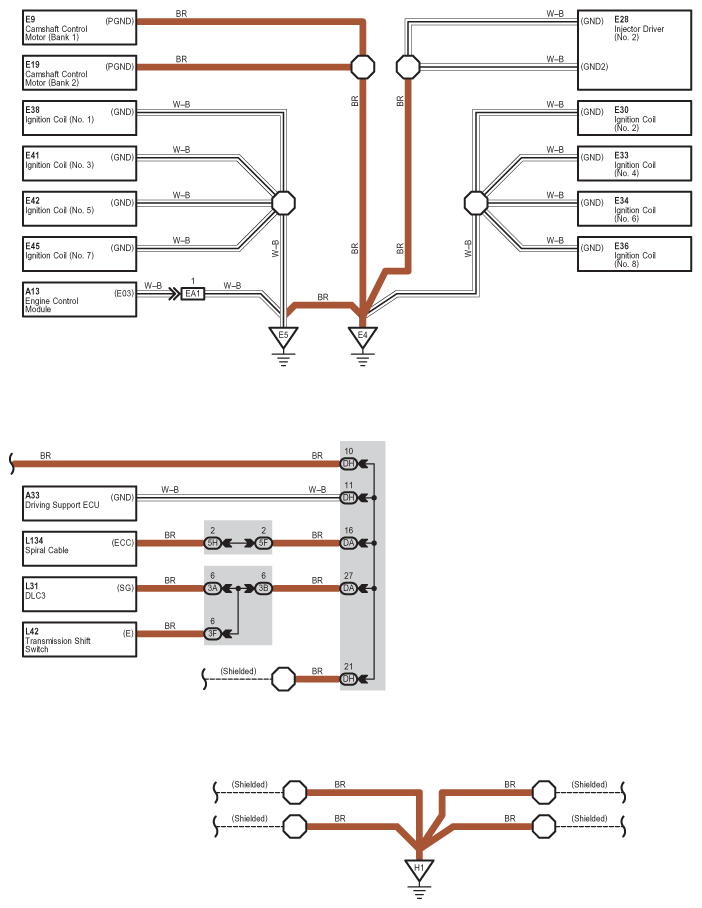
Fig 1: Ground Point - Circuit Diagram (1 Of 10)
G07568176Courtesy of © TOYOTA, LICENSE AGREEMENT TMS1002
Fig 2: Ground Point - Circuit Diagram (2 Of 10)
G07568177Courtesy of © TOYOTA, LICENSE AGREEMENT TMS1002
Fig 3: Ground Point - Circuit Diagram (3 Of 10)
G07568178Courtesy of © TOYOTA, LICENSE AGREEMENT TMS1002
Fig 4: Ground Point - Circuit Diagram (4 Of 10)
G07568179Courtesy of © TOYOTA, LICENSE AGREEMENT TMS1002
Fig 5: Ground Point - Circuit Diagram (5 Of 10)
G07568180Courtesy of © TOYOTA, LICENSE AGREEMENT TMS1002
Fig 6: Ground Point - Circuit Diagram (6 Of 10)
G07568181Courtesy of © TOYOTA, LICENSE AGREEMENT TMS1002
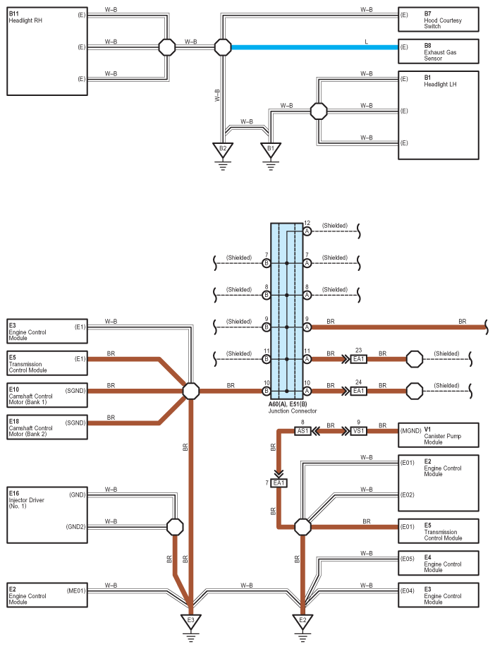
Fig 7: Ground Point - Circuit Diagram (7 Of 10)
G07568182Courtesy of © TOYOTA, LICENSE AGREEMENT TMS1002
Fig 8: Ground Point - Circuit Diagram (8 Of 10)
G07568183Courtesy of © TOYOTA, LICENSE AGREEMENT TMS1002
Fig 9: Ground Point - Circuit Diagram (9 Of 10)
G07568184Courtesy of © TOYOTA, LICENSE AGREEMENT TMS1002
Fig 10: Ground Point - Circuit Diagram (10 Of 10)
G07568185Courtesy of © TOYOTA, LICENSE AGREEMENT TMS1002