LEMON Manuals: Even more car manuals for everyone: 1960-2025
Home >> Lexus >> 2011 >> LS 460L RWD >> Repair and Diagnosis >> Electrical >> Body Electrical >> OEM System Circuits >> Interior Light >> Notes
April 5, 2026: LEMON Manuals is launched! Read the announcement.

Interior Light: Notes

Fig 1: Interior Light - Circuit Diagram (1 Of 10)
G07564844Courtesy of © TOYOTA, LICENSE AGREEMENT TMS1002
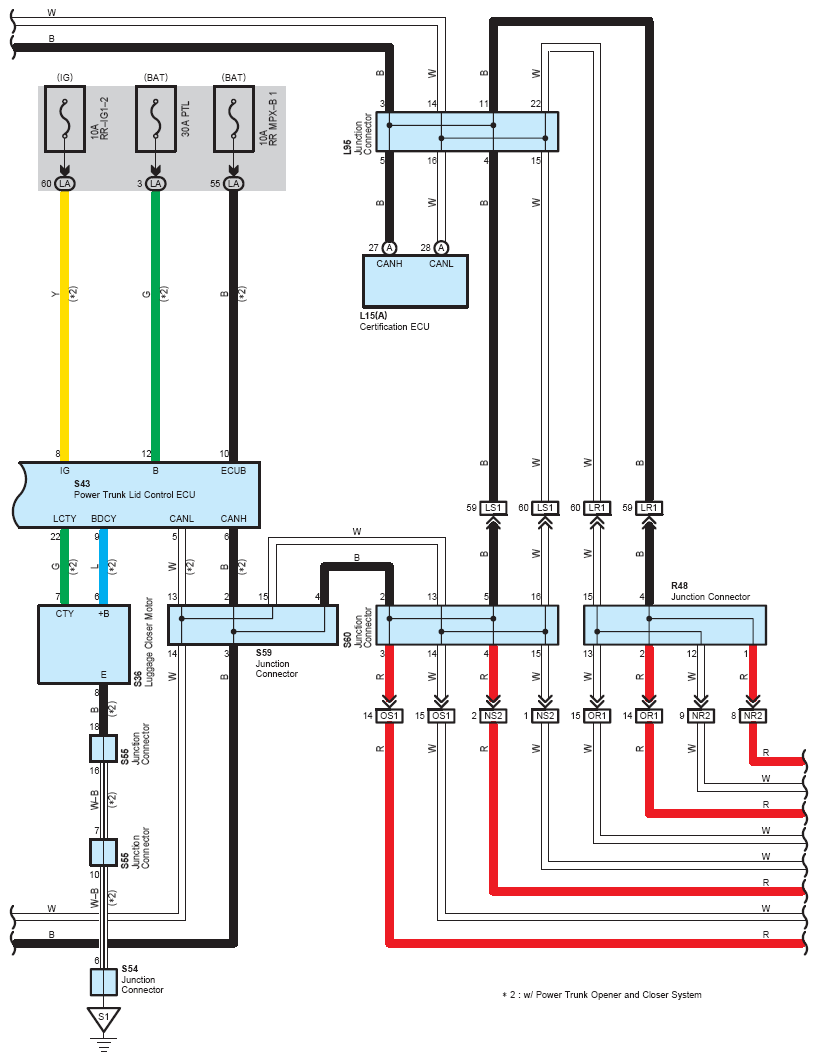
Fig 2: Interior Light - Circuit Diagram (2 Of 10)
G07564845Courtesy of © TOYOTA, LICENSE AGREEMENT TMS1002
Fig 3: Interior Light - Circuit Diagram (3 Of 10)
G07564846Courtesy of © TOYOTA, LICENSE AGREEMENT TMS1002
Fig 4: Interior Light - Circuit Diagram (4 Of 10)
G07564847Courtesy of © TOYOTA, LICENSE AGREEMENT TMS1002
Fig 5: Interior Light - Circuit Diagram (5 Of 10)
G07564848Courtesy of © TOYOTA, LICENSE AGREEMENT TMS1002
Fig 6: Interior Light - Circuit Diagram (6 Of 10)
G07564849Courtesy of © TOYOTA, LICENSE AGREEMENT TMS1002
Fig 7: Interior Light - Circuit Diagram (7 Of 10)
G07564850Courtesy of © TOYOTA, LICENSE AGREEMENT TMS1002
Fig 8: Interior Light - Circuit Diagram (8 Of 10)
G07564851Courtesy of © TOYOTA, LICENSE AGREEMENT TMS1002
Fig 9: Interior Light - Circuit Diagram (9 Of 10)
G07564852Courtesy of © TOYOTA, LICENSE AGREEMENT TMS1002
Fig 10: Interior Light - Circuit Diagram (10 Of 10)
G07564853Courtesy of © TOYOTA, LICENSE AGREEMENT TMS1002