LEMON Manuals: Even more car manuals for everyone: 1960-2025
Home >> Lexus >> 2011 >> LS 600hL >> Repair and Diagnosis (Single Page) >> Electrical >> Body Electrical >> OEM System Circuits >> Pre-Collision System >> Notes
April 5, 2026: LEMON Manuals is launched! Read the announcement.

Pre-Collision System: Notes

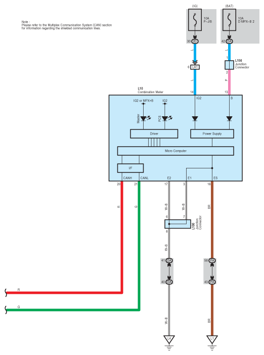
Fig 1: Pre-Collision System - Circuit Diagram (1 Of 15)
G07566152Courtesy of © TOYOTA, LICENSE AGREEMENT TMS1002
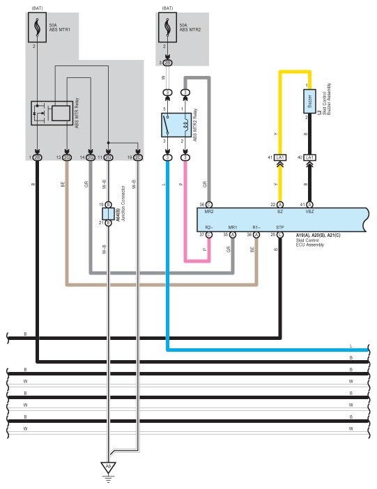
Fig 2: Pre-Collision System - Circuit Diagram (2 Of 15)
G07566153Courtesy of © TOYOTA, LICENSE AGREEMENT TMS1002
Fig 3: Pre-Collision System - Circuit Diagram (3 Of 15)
G07566154Courtesy of © TOYOTA, LICENSE AGREEMENT TMS1002
Fig 4: Pre-Collision System - Circuit Diagram (4 Of 15)
G07566155Courtesy of © TOYOTA, LICENSE AGREEMENT TMS1002
Fig 5: Pre-Collision System - Circuit Diagram (5 Of 15)
G07566156Courtesy of © TOYOTA, LICENSE AGREEMENT TMS1002
Fig 6: Pre-Collision System - Circuit Diagram (6 Of 15)
G07566157Courtesy of © TOYOTA, LICENSE AGREEMENT TMS1002
Fig 7: Pre-Collision System - Circuit Diagram (7 Of 15)
G07566158Courtesy of © TOYOTA, LICENSE AGREEMENT TMS1002
Fig 8: Pre-Collision System - Circuit Diagram (8 Of 15)
G07566159Courtesy of © TOYOTA, LICENSE AGREEMENT TMS1002
Fig 9: Pre-Collision System - Circuit Diagram (9 Of 15)
G07566160Courtesy of © TOYOTA, LICENSE AGREEMENT TMS1002
Fig 10: Pre-Collision System - Circuit Diagram (10 Of 15)
G07566161Courtesy of © TOYOTA, LICENSE AGREEMENT TMS1002
Fig 11: Pre-Collision System - Circuit Diagram (11 Of 15)
G07566162Courtesy of © TOYOTA, LICENSE AGREEMENT TMS1002
Fig 12: Pre-Collision System - Circuit Diagram (12 Of 15)
G07566163Courtesy of © TOYOTA, LICENSE AGREEMENT TMS1002
Fig 13: Pre-Collision System - Circuit Diagram (13 Of 15)
G07566164Courtesy of © TOYOTA, LICENSE AGREEMENT TMS1002
Fig 14: Pre-Collision System - Circuit Diagram (14 Of 15)
G07566165Courtesy of © TOYOTA, LICENSE AGREEMENT TMS1002
Fig 15: Pre-Collision System - Circuit Diagram (15 Of 15)
G07566166Courtesy of © TOYOTA, LICENSE AGREEMENT TMS1002