LEMON Manuals: Even more car manuals for everyone: 1960-2025
Home >> Lexus >> 2011 >> LS 600hL >> Repair and Diagnosis (Single Page) >> Electrical >> Body Electrical >> OEM System Circuits >> VGRS System >> Notes
April 5, 2026: LEMON Manuals is launched! Read the announcement.

VGRS System: Notes

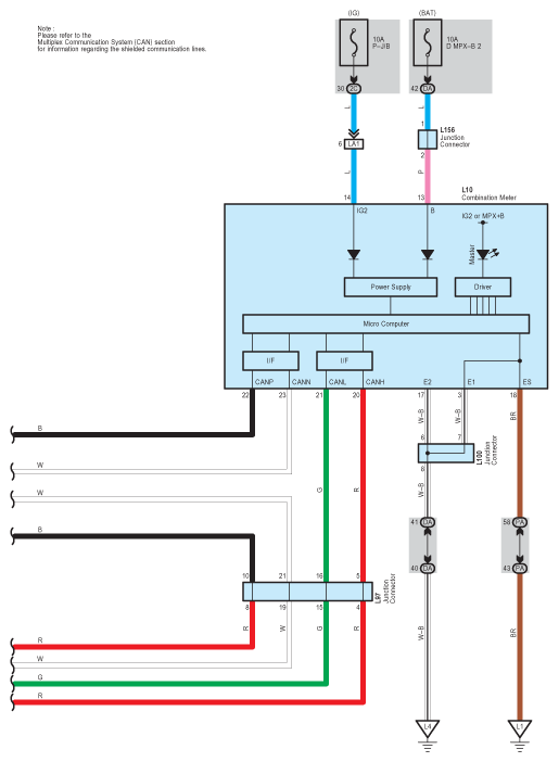
Fig 1: VGRS System - Circuit Diagram (1 Of 5)
G07566125Courtesy of © TOYOTA, LICENSE AGREEMENT TMS1002
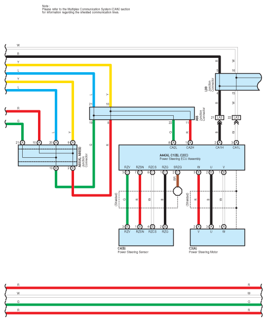
Fig 2: VGRS System - Circuit Diagram (2 Of 5)
G07566126Courtesy of © TOYOTA, LICENSE AGREEMENT TMS1002
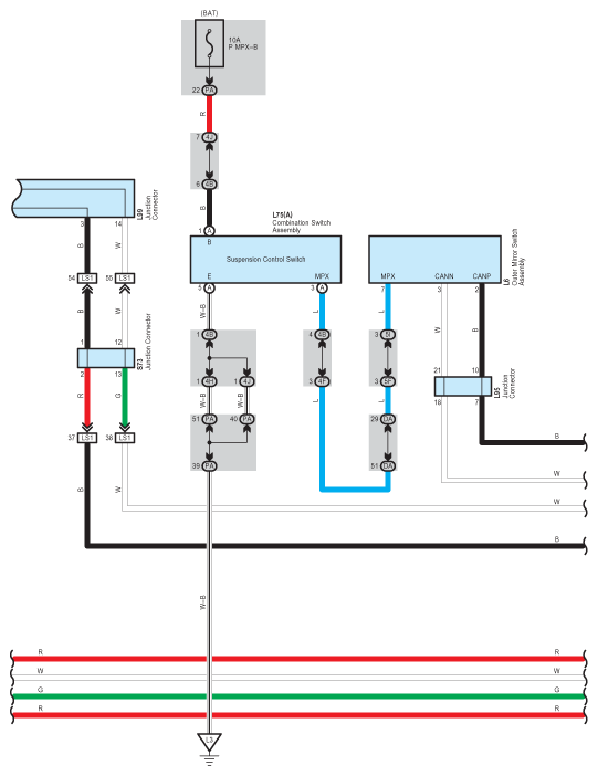
Fig 3: VGRS System - Circuit Diagram (3 Of 5)
G07566127Courtesy of © TOYOTA, LICENSE AGREEMENT TMS1002
Fig 4: VGRS System - Circuit Diagram (4 Of 5)
G07566128Courtesy of © TOYOTA, LICENSE AGREEMENT TMS1002
Fig 5: VGRS System - Circuit Diagram (5 Of 5)
G07566129Courtesy of © TOYOTA, LICENSE AGREEMENT TMS1002