LEMON Manuals: Even more car manuals for everyone: 1960-2025
Home >> Lexus >> 2011 >> LS 600hL >> Repair and Diagnosis >> Electrical >> Body Electrical >> OEM System Circuits >> Active Stabilizer Suspension System >> Notes
April 5, 2026: LEMON Manuals is launched! Read the announcement.

Active Stabilizer Suspension System: Notes

Fig 1: Active Stabilizer Suspension System - Circuit Diagram (1 Of 8)
G07566167Courtesy of © TOYOTA, LICENSE AGREEMENT TMS1002
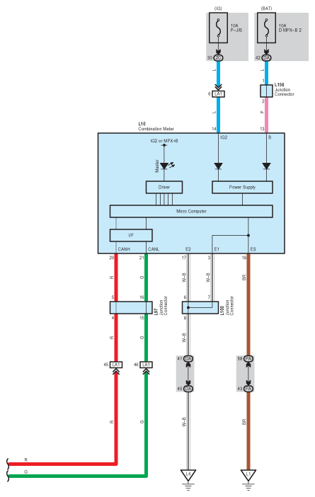
Fig 2: Active Stabilizer Suspension System - Circuit Diagram (2 Of 8)
G07566168Courtesy of © TOYOTA, LICENSE AGREEMENT TMS1002
Fig 3: Active Stabilizer Suspension System - Circuit Diagram (3 Of 8)
G07566169Courtesy of © TOYOTA, LICENSE AGREEMENT TMS1002
Fig 4: Active Stabilizer Suspension System - Circuit Diagram (4 Of 8)
G07566170Courtesy of © TOYOTA, LICENSE AGREEMENT TMS1002
Fig 5: Active Stabilizer Suspension System - Circuit Diagram (5 Of 8)
G07566171Courtesy of © TOYOTA, LICENSE AGREEMENT TMS1002
Fig 6: Active Stabilizer Suspension System - Circuit Diagram (6 Of 8)
G07566172Courtesy of © TOYOTA, LICENSE AGREEMENT TMS1002
Fig 7: Active Stabilizer Suspension System - Circuit Diagram (7 Of 8)
G07566173Courtesy of © TOYOTA, LICENSE AGREEMENT TMS1002
Fig 8: Active Stabilizer Suspension System - Circuit Diagram (8 Of 8)
G07566174Courtesy of © TOYOTA, LICENSE AGREEMENT TMS1002