LEMON Manuals: Even more car manuals for everyone: 1960-2025
Home >> Lexus >> 2011 >> LS 600hL >> Repair and Diagnosis >> Electrical >> Body Electrical >> OEM System Circuits >> Engine Control >> Notes
April 5, 2026: LEMON Manuals is launched! Read the announcement.

Engine Control: Notes

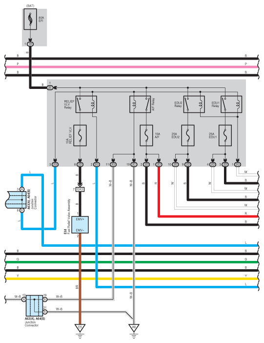
Fig 1: Engine Control - Circuit Diagram (1 Of 24)
G07565908Courtesy of © TOYOTA, LICENSE AGREEMENT TMS1002
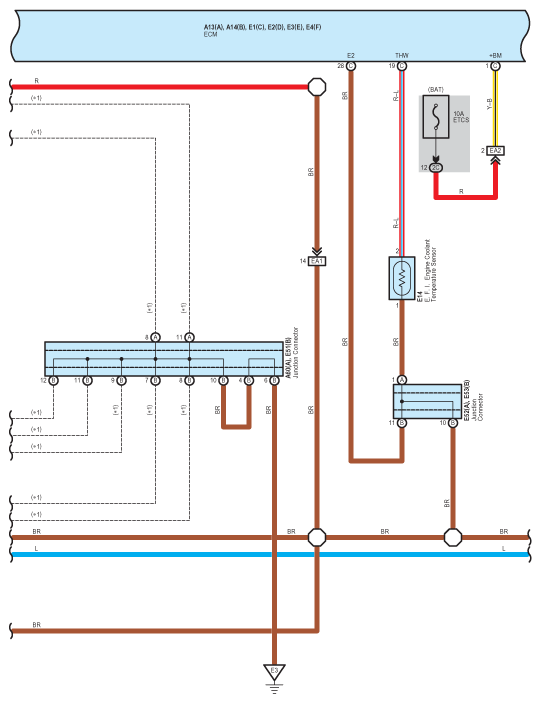
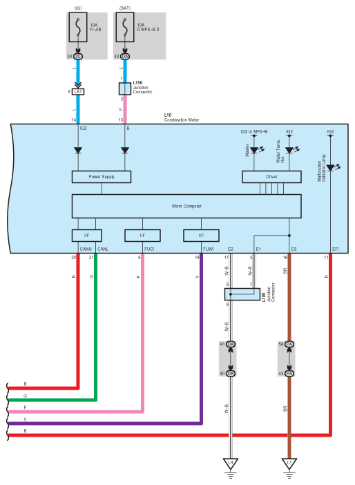
Fig 2: Engine Control - Circuit Diagram (2 Of 24)
G07565909Courtesy of © TOYOTA, LICENSE AGREEMENT TMS1002
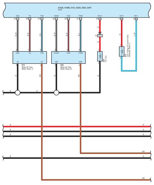
Fig 3: Engine Control - Circuit Diagram (3 Of 24)
G07565910Courtesy of © TOYOTA, LICENSE AGREEMENT TMS1002
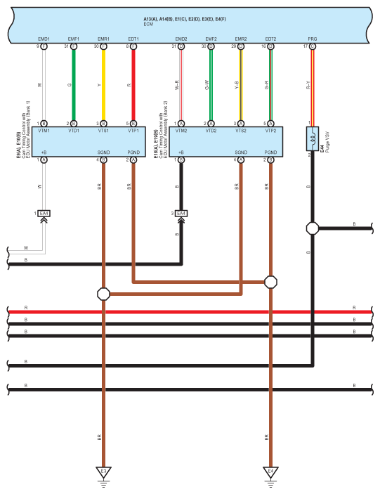
Fig 4: Engine Control - Circuit Diagram (4 Of 24)
G07565911Courtesy of © TOYOTA, LICENSE AGREEMENT TMS1002
Fig 5: Engine Control - Circuit Diagram (5 Of 24)
G07565912Courtesy of © TOYOTA, LICENSE AGREEMENT TMS1002
Fig 6: Engine Control - Circuit Diagram (6 Of 24)
G07565913Courtesy of © TOYOTA, LICENSE AGREEMENT TMS1002
Fig 7: Engine Control - Circuit Diagram (7 Of 24)
G07565914Courtesy of © TOYOTA, LICENSE AGREEMENT TMS1002
Fig 8: Engine Control - Circuit Diagram (8 Of 24)
G07565915Courtesy of © TOYOTA, LICENSE AGREEMENT TMS1002
Fig 9: Engine Control - Circuit Diagram (9 Of 24)
G07565916Courtesy of © TOYOTA, LICENSE AGREEMENT TMS1002
Fig 10: Engine Control - Circuit Diagram (10 Of 24)
G07565917Courtesy of © TOYOTA, LICENSE AGREEMENT TMS1002
Fig 11: Engine Control - Circuit Diagram (11 Of 24)
G07565918Courtesy of © TOYOTA, LICENSE AGREEMENT TMS1002
Fig 12: Engine Control - Circuit Diagram (12 Of 24)
G07565919Courtesy of © TOYOTA, LICENSE AGREEMENT TMS1002
Fig 13: Engine Control - Circuit Diagram (13 Of 24)
G07565920Courtesy of © TOYOTA, LICENSE AGREEMENT TMS1002
Fig 14: Engine Control - Circuit Diagram (14 Of 24)
G07565921Courtesy of © TOYOTA, LICENSE AGREEMENT TMS1002
Fig 15: Engine Control - Circuit Diagram (15 Of 24)
G07565922Courtesy of © TOYOTA, LICENSE AGREEMENT TMS1002
Fig 16: Engine Control - Circuit Diagram (16 Of 24)
G07565923Courtesy of © TOYOTA, LICENSE AGREEMENT TMS1002
Fig 17: Engine Control - Circuit Diagram (17 Of 24)
G07565924Courtesy of © TOYOTA, LICENSE AGREEMENT TMS1002
Fig 18: Engine Control - Circuit Diagram (18 Of 24)
G07565925Courtesy of © TOYOTA, LICENSE AGREEMENT TMS1002
Fig 19: Engine Control - Circuit Diagram (19 Of 24)
G07565926Courtesy of © TOYOTA, LICENSE AGREEMENT TMS1002
Fig 20: Engine Control - Circuit Diagram (20 Of 24)
G07565927Courtesy of © TOYOTA, LICENSE AGREEMENT TMS1002
Fig 21: Engine Control - Circuit Diagram (21 Of 24)
G07565928Courtesy of © TOYOTA, LICENSE AGREEMENT TMS1002
Fig 22: Engine Control - Circuit Diagram (22 Of 24)
G07565929Courtesy of © TOYOTA, LICENSE AGREEMENT TMS1002
Fig 23: Engine Control - Circuit Diagram (23 Of 24)
G07565930Courtesy of © TOYOTA, LICENSE AGREEMENT TMS1002
Fig 24: Engine Control - Circuit Diagram (24 Of 24)
G07565931Courtesy of © TOYOTA, LICENSE AGREEMENT TMS1002