LEMON Manuals: Even more car manuals for everyone: 1960-2025
Home >> Lexus >> 2011 >> LS 600hL >> Repair and Diagnosis >> Electrical >> Body Electrical >> OEM System Circuits >> Illumination >> Notes
April 5, 2026: LEMON Manuals is launched! Read the announcement.

OEM System Circuits: Illumination: Notes

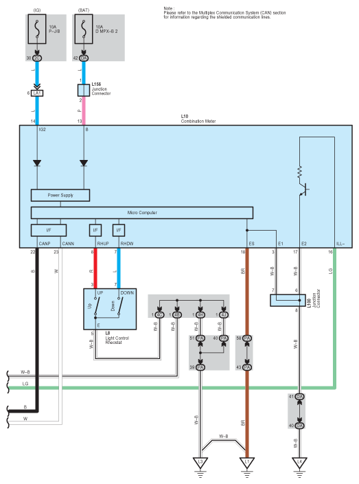
Fig 1: Illumination - Circuit Diagram (1 Of 15)
G07565976Courtesy of © TOYOTA, LICENSE AGREEMENT TMS1002
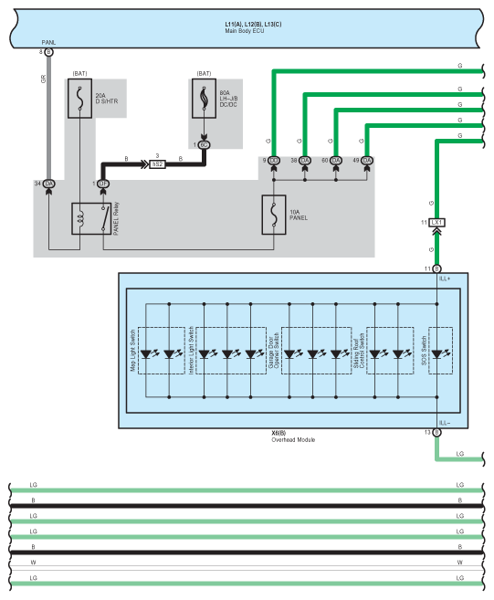
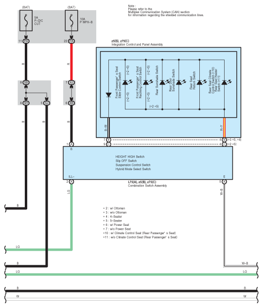
Fig 2: Illumination - Circuit Diagram (2 Of 15)
G07565977Courtesy of © TOYOTA, LICENSE AGREEMENT TMS1002
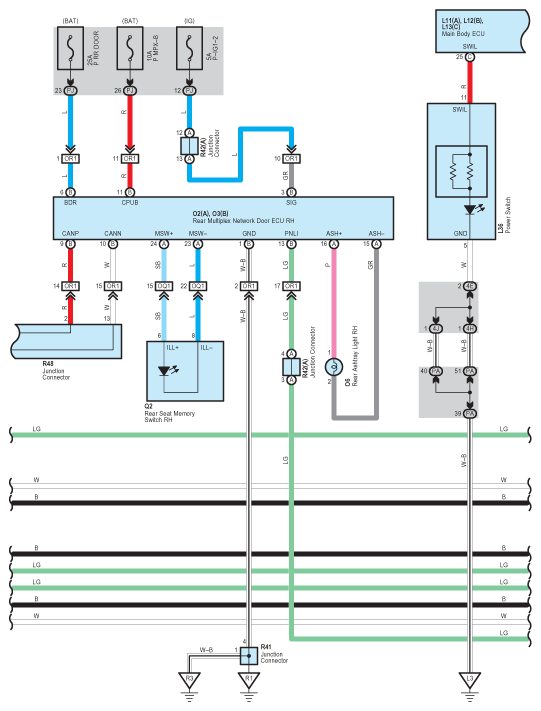
Fig 3: Illumination - Circuit Diagram (3 Of 15)
G07565978Courtesy of © TOYOTA, LICENSE AGREEMENT TMS1002
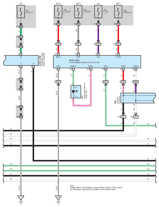
Fig 4: Illumination - Circuit Diagram (4 Of 15)
G07565979Courtesy of © TOYOTA, LICENSE AGREEMENT TMS1002
Fig 5: Illumination - Circuit Diagram (5 Of 15)
G07565980Courtesy of © TOYOTA, LICENSE AGREEMENT TMS1002
Fig 6: Illumination - Circuit Diagram (6 Of 15)
G07565981Courtesy of © TOYOTA, LICENSE AGREEMENT TMS1002
Fig 7: Illumination - Circuit Diagram (7 Of 15)
G07565982Courtesy of © TOYOTA, LICENSE AGREEMENT TMS1002
Fig 8: Illumination - Circuit Diagram (8 Of 15)
G07565983Courtesy of © TOYOTA, LICENSE AGREEMENT TMS1002
Fig 9: Illumination - Circuit Diagram (9 Of 15)
G07565984Courtesy of © TOYOTA, LICENSE AGREEMENT TMS1002
Fig 10: Illumination - Circuit Diagram (10 Of 15)
G07565985Courtesy of © TOYOTA, LICENSE AGREEMENT TMS1002
Fig 11: Illumination - Circuit Diagram (11 Of 15)
G07565986Courtesy of © TOYOTA, LICENSE AGREEMENT TMS1002
Fig 12: Illumination - Circuit Diagram (12 Of 15)
G07565987Courtesy of © TOYOTA, LICENSE AGREEMENT TMS1002
Fig 13: Illumination - Circuit Diagram (13 Of 15)
G07565988Courtesy of © TOYOTA, LICENSE AGREEMENT TMS1002
Fig 14: Illumination - Circuit Diagram (14 Of 15)
G07565989Courtesy of © TOYOTA, LICENSE AGREEMENT TMS1002
Fig 15: Illumination - Circuit Diagram (15 Of 15)
G07565990Courtesy of © TOYOTA, LICENSE AGREEMENT TMS1002