LEMON Manuals: Even more car manuals for everyone: 1960-2025
Home >> Lexus >> 2011 >> LS 600hL >> Repair and Diagnosis >> Electrical >> Body Electrical >> OEM System Circuits >> Power Tilt and Power Telescopic >> Notes
April 5, 2026: LEMON Manuals is launched! Read the announcement.

Power Tilt and Power Telescopic: Notes

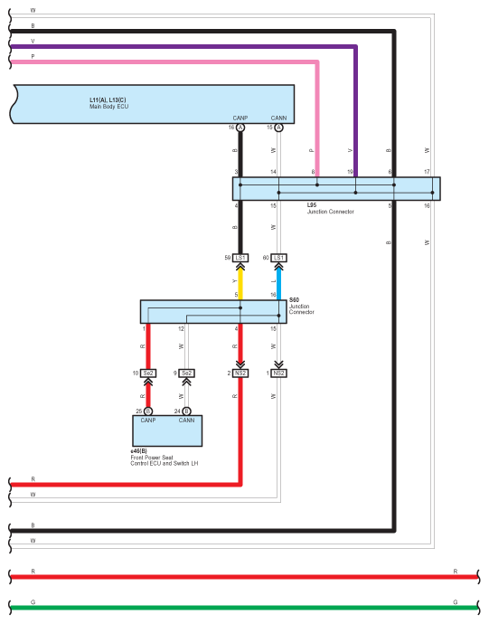
Fig 1: Power Tilt And Power Telescopic - Circuit Diagram (1 Of 7)
G07566246Courtesy of © TOYOTA, LICENSE AGREEMENT TMS1002
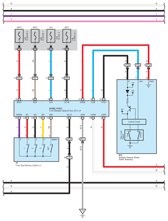
Fig 2: Power Tilt And Power Telescopic - Circuit Diagram (2 Of 7)
G07566247Courtesy of © TOYOTA, LICENSE AGREEMENT TMS1002
Fig 3: Power Tilt And Power Telescopic - Circuit Diagram (3 Of 7)
G07566248Courtesy of © TOYOTA, LICENSE AGREEMENT TMS1002
Fig 4: Power Tilt And Power Telescopic - Circuit Diagram (4 Of 7)
G07566249Courtesy of © TOYOTA, LICENSE AGREEMENT TMS1002
Fig 5: Power Tilt And Power Telescopic - Circuit Diagram (5 Of 7)
G07566250Courtesy of © TOYOTA, LICENSE AGREEMENT TMS1002
Fig 6: Power Tilt And Power Telescopic - Circuit Diagram (6 Of 7)
G07566251Courtesy of © TOYOTA, LICENSE AGREEMENT TMS1002
Fig 7: Power Tilt And Power Telescopic - Circuit Diagram (7 Of 7)
G07566252Courtesy of © TOYOTA, LICENSE AGREEMENT TMS1002