LEMON Manuals: Even more car manuals for everyone: 1960-2025
Home >> Lexus >> 2011 >> LX 570 >> Repair and Diagnosis >> Electrical >> Body Electrical >> OEM System Circuits >> Engine Control, Electronically Controlled Transmission and A/T Indicator >> Notes
April 5, 2026: LEMON Manuals is launched! Read the announcement.

Engine Control, Electronically Controlled Transmission and A/T Indicator: Notes

Fig 1: Engine Control, Electronically Controlled Transmission And A/T Indicator - Circuit Diagram (1 Of 19)
G07575473Courtesy of © TOYOTA, LICENSE AGREEMENT TMS1002
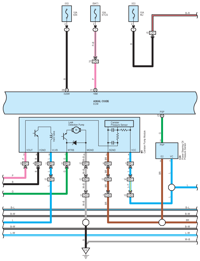
Fig 2: Engine Control, Electronically Controlled Transmission And A/T Indicator - Circuit Diagram (2 Of 19)
G07575474Courtesy of © TOYOTA, LICENSE AGREEMENT TMS1002
Fig 3: Engine Control, Electronically Controlled Transmission And A/T Indicator - Circuit Diagram (3 Of 19)
G07575475Courtesy of © TOYOTA, LICENSE AGREEMENT TMS1002
Fig 4: Engine Control, Electronically Controlled Transmission And A/T Indicator - Circuit Diagram (4 Of 19)
G07575476Courtesy of © TOYOTA, LICENSE AGREEMENT TMS1002
Fig 5: Engine Control, Electronically Controlled Transmission And A/T Indicator - Circuit Diagram (5 Of 19)
G07575477Courtesy of © TOYOTA, LICENSE AGREEMENT TMS1002
Fig 6: Engine Control, Electronically Controlled Transmission And A/T Indicator - Circuit Diagram (6 Of 19)
G07575478Courtesy of © TOYOTA, LICENSE AGREEMENT TMS1002
Fig 7: Engine Control, Electronically Controlled Transmission And A/T Indicator - Circuit Diagram (7 Of 19)
G07575479Courtesy of © TOYOTA, LICENSE AGREEMENT TMS1002
Fig 8: Engine Control, Electronically Controlled Transmission And A/T Indicator - Circuit Diagram (8 Of 19)
G07575480Courtesy of © TOYOTA, LICENSE AGREEMENT TMS1002
Fig 9: Engine Control, Electronically Controlled Transmission And A/T Indicator - Circuit Diagram (9 Of 19)
G07575481Courtesy of © TOYOTA, LICENSE AGREEMENT TMS1002
Fig 10: Engine Control, Electronically Controlled Transmission And A/T Indicator - Circuit Diagram (10 Of 19)
G07575482Courtesy of © TOYOTA, LICENSE AGREEMENT TMS1002
Fig 11: Engine Control, Electronically Controlled Transmission And A/T Indicator - Circuit Diagram (11 Of 19)
G07575483Courtesy of © TOYOTA, LICENSE AGREEMENT TMS1002
Fig 12: Engine Control, Electronically Controlled Transmission And A/T Indicator - Circuit Diagram (12 Of 19)
G07575484Courtesy of © TOYOTA, LICENSE AGREEMENT TMS1002
Fig 13: Engine Control, Electronically Controlled Transmission And A/T Indicator - Circuit Diagram (13 Of 19)
G07575485Courtesy of © TOYOTA, LICENSE AGREEMENT TMS1002
Fig 14: Engine Control, Electronically Controlled Transmission And A/T Indicator - Circuit Diagram (14 Of 19)
G07575486Courtesy of © TOYOTA, LICENSE AGREEMENT TMS1002
Fig 15: Engine Control, Electronically Controlled Transmission And A/T Indicator - Circuit Diagram (15 Of 19)
G07575487Courtesy of © TOYOTA, LICENSE AGREEMENT TMS1002
Fig 16: Engine Control, Electronically Controlled Transmission And A/T Indicator - Circuit Diagram (16 Of 19)
G07575488Courtesy of © TOYOTA, LICENSE AGREEMENT TMS1002
Fig 17: Engine Control, Electronically Controlled Transmission And A/T Indicator - Circuit Diagram (17 Of 19)
G07575489Courtesy of © TOYOTA, LICENSE AGREEMENT TMS1002
Fig 18: Engine Control, Electronically Controlled Transmission And A/T Indicator - Circuit Diagram (18 Of 19)
G07575490Courtesy of © TOYOTA, LICENSE AGREEMENT TMS1002
Fig 19: Engine Control, Electronically Controlled Transmission And A/T Indicator - Circuit Diagram (19 Of 19)
G07575491Courtesy of © TOYOTA, LICENSE AGREEMENT TMS1002