LEMON Manuals: Even more car manuals for everyone: 1960-2025
Home >> Lexus >> 2011 >> LX 570 >> Repair and Diagnosis >> Electrical >> Body Electrical >> OEM System Circuits >> SRS >> Notes
April 5, 2026: LEMON Manuals is launched! Read the announcement.

OEM System Circuits: SRS: Notes

NOTE: When inspecting or repairing the SRS, perform service in accordance with the following precautionary instructions and the procedure, and precautions in the service information applicable for the model year.
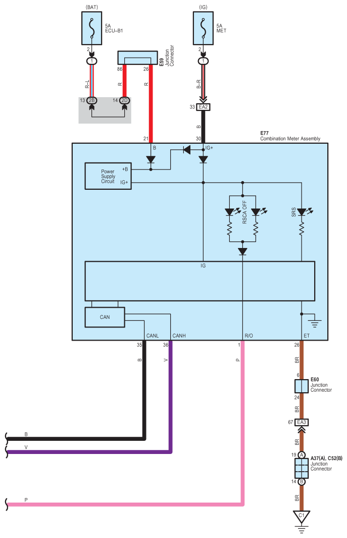
Fig 2: SRS - Circuit Diagram (1 Of 8)
G07575613Courtesy of © TOYOTA, LICENSE AGREEMENT TMS1002
Fig 3: SRS - Circuit Diagram (2 Of 8)
G07575614Courtesy of © TOYOTA, LICENSE AGREEMENT TMS1002
Fig 4: SRS - Circuit Diagram (3 Of 8)
G07575615Courtesy of © TOYOTA, LICENSE AGREEMENT TMS1002
Fig 5: SRS - Circuit Diagram (4 Of 8)
G07575616Courtesy of © TOYOTA, LICENSE AGREEMENT TMS1002
Fig 6: SRS - Circuit Diagram (5 Of 8)
G07575617Courtesy of © TOYOTA, LICENSE AGREEMENT TMS1002
Fig 7: SRS - Circuit Diagram (6 Of 8)
G07575618Courtesy of © TOYOTA, LICENSE AGREEMENT TMS1002
Fig 8: SRS - Circuit Diagram (7 Of 8)
G07575619Courtesy of © TOYOTA, LICENSE AGREEMENT TMS1002
Fig 9: SRS - Circuit Diagram (8 Of 8)
G07575620Courtesy of © TOYOTA, LICENSE AGREEMENT TMS1002