LEMON Manuals: Even more car manuals for everyone: 1960-2025
Home >> Lexus >> 2011 >> LX 570 >> Repair and Diagnosis >> Electrical >> Body Electrical >> OEM System Circuits >> Seat Beat Warning >> Notes
April 5, 2026: LEMON Manuals is launched! Read the announcement.

Seat Beat Warning: Notes

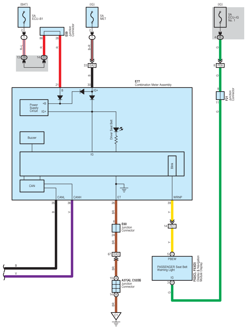
Fig 1: Seat Beat Warning - Circuit Diagram (1 Of 5)
G07575672Courtesy of © TOYOTA, LICENSE AGREEMENT TMS1002
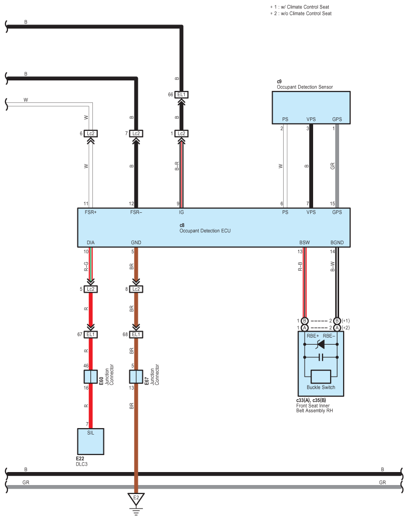
Fig 2: Seat Beat Warning - Circuit Diagram (2 Of 5)
G07575673Courtesy of © TOYOTA, LICENSE AGREEMENT TMS1002
Fig 3: Seat Beat Warning - Circuit Diagram (3 Of 5)
G07575674Courtesy of © TOYOTA, LICENSE AGREEMENT TMS1002
Fig 4: Seat Beat Warning - Circuit Diagram (4 Of 5)
G07575675Courtesy of © TOYOTA, LICENSE AGREEMENT TMS1002
Fig 5: Seat Beat Warning - Circuit Diagram (5 Of 5)
G07575676Courtesy of © TOYOTA, LICENSE AGREEMENT TMS1002