LEMON Manuals: Even more car manuals for everyone: 1960-2025
Home >> Lexus >> 2011 >> LX 570 >> Repair and Diagnosis >> Engine Mechanical >> Fuel System >> Fuel System (Inspection) >> Fuel System >> System Diagram >> System Diagram
April 5, 2026: LEMON Manuals is launched! Read the announcement.

System Diagram

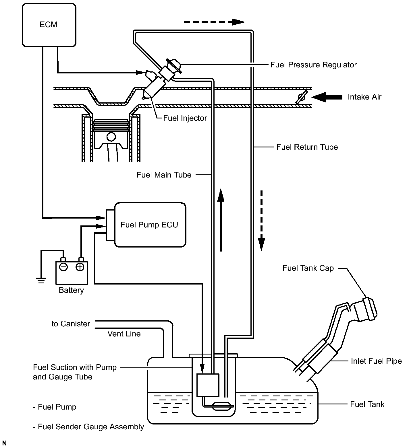
  1. FUEL FLOW DIAGRAM 
    Fig 1: Fuel Flow System Diagram
    GTY123941Courtesy of © TOYOTA, LICENSE AGREEMENT TMS1002
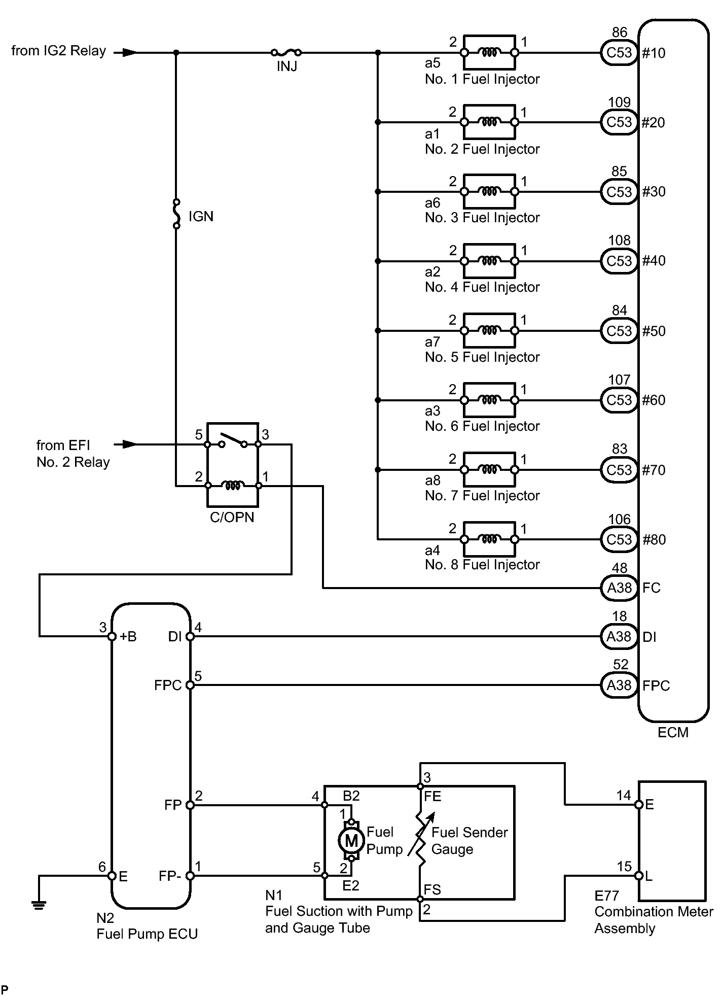
  2. ELECTRICAL CONTROL DIAGRAM 
    Fig 2: Electrical Control System Wiring Diagram
    GTY120971Courtesy of © TOYOTA, LICENSE AGREEMENT TMS1002