LEMON Manuals: Even more car manuals for everyone: 1960-2025
Home >> Lexus >> 2011 >> RX 350 AWD >> Repair and Diagnosis >> Electrical >> Body Electrical >> OEM System Circuits >> Trailer Towing >> Notes
April 5, 2026: LEMON Manuals is launched! Read the announcement.

Trailer Towing: Notes

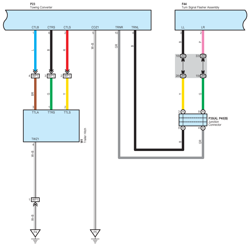
Fig 1: Trailer Towing - Circuit Diagram (1 Of 3)
G07576094Courtesy of © TOYOTA, LICENSE AGREEMENT TMS1002
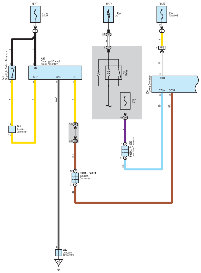
Fig 2: Trailer Towing - Circuit Diagram (2 Of 3)
G07576095Courtesy of © TOYOTA, LICENSE AGREEMENT TMS1002
Fig 3: Trailer Towing - Circuit Diagram (3 Of 3)
G07576096Courtesy of © TOYOTA, LICENSE AGREEMENT TMS1002