LEMON Manuals: Even more car manuals for everyone: 1960-2025
Home >> Lexus >> 2011 >> RX 350 AWD >> Repair and Diagnosis >> Engine Performance >> System >> Engine Control System SFI System [2GR-FE] (Diagnostic Codes & Circuit Tests) >> SFI System >> Circuit Tests >> VC Output Circuit >> Wiring Diagram
April 5, 2026: LEMON Manuals is launched! Read the announcement.

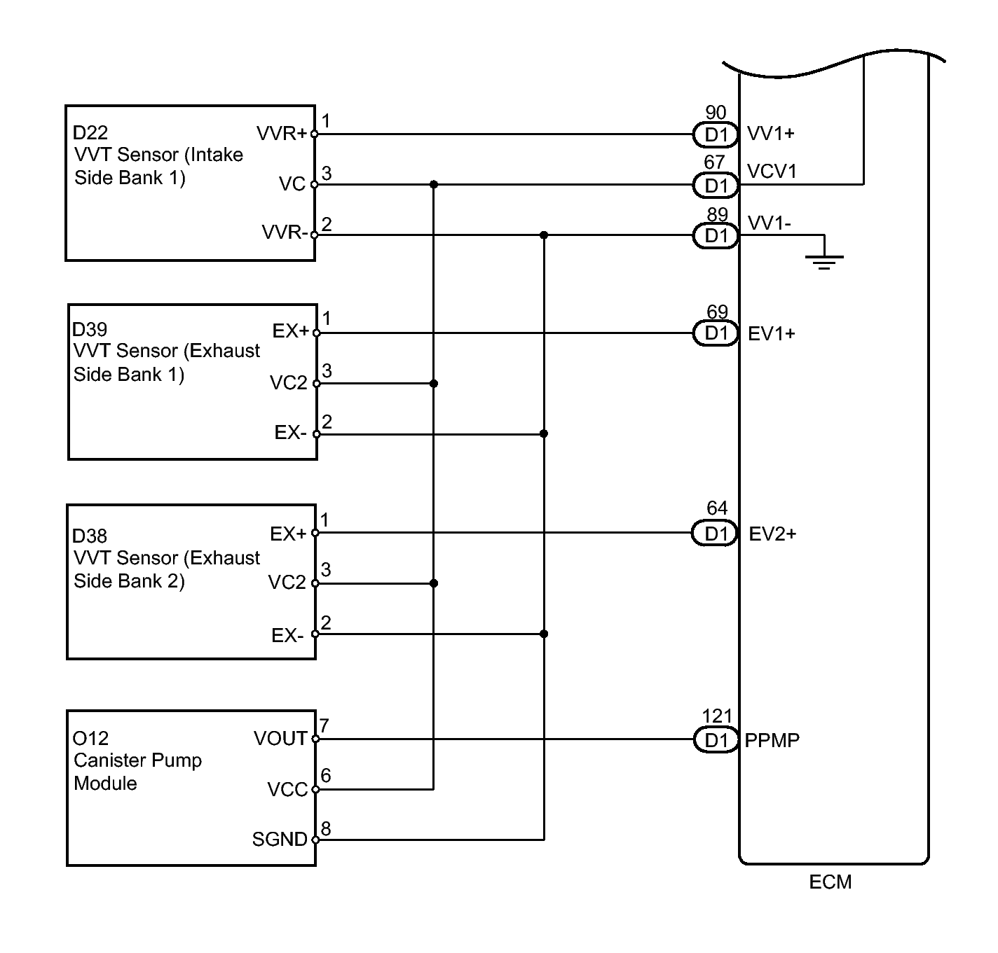
VC Output Circuit: Wiring Diagram

Fig 1: Identifying VC Output Circuit Wiring Diagram (1 Of 2)
GTY356076Courtesy of © TOYOTA, LICENSE AGREEMENT TMS1002
Fig 2: Identifying VC Output Circuit Wiring Diagram (2 Of 2)
GTY357656Courtesy of © TOYOTA, LICENSE AGREEMENT TMS1002