LEMON Manuals: Even more car manuals for everyone: 1960-2025
Home >> Lexus >> 2011 >> RX 350 AWD >> Repair and Diagnosis >> Engine Performance >> System >> Engine Control System SFI System [2GR-FE] (Diagnostic Codes & Circuit Tests) >> SFI System >> EVAP System >> Wiring Diagram
April 5, 2026: LEMON Manuals is launched! Read the announcement.

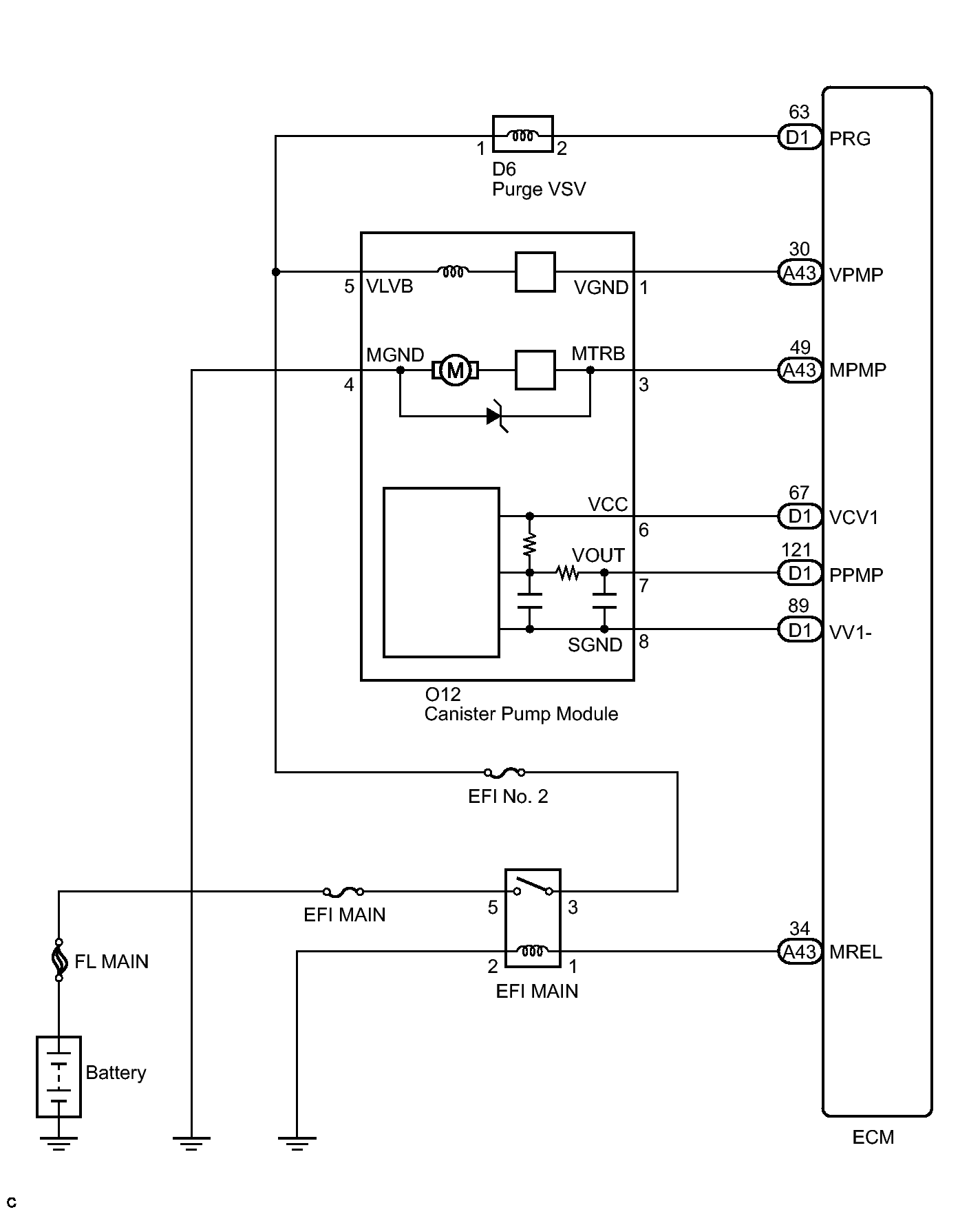
EVAP System: Wiring Diagram

Fig 1: O2 Canister Pump Module - Wiring Diagram
GTY274334Courtesy of © TOYOTA, LICENSE AGREEMENT TMS1002