LEMON Manuals: Even more car manuals for everyone: 1960-2025
Home >> Lexus >> 2011 >> RX 350 FWD >> Repair and Diagnosis >> Electrical >> Body Electrical >> OEM System Circuits >> Audio System (w/o LEXUS Navigation System) >> Notes
April 5, 2026: LEMON Manuals is launched! Read the announcement.

Audio System (w/o LEXUS Navigation System): Notes

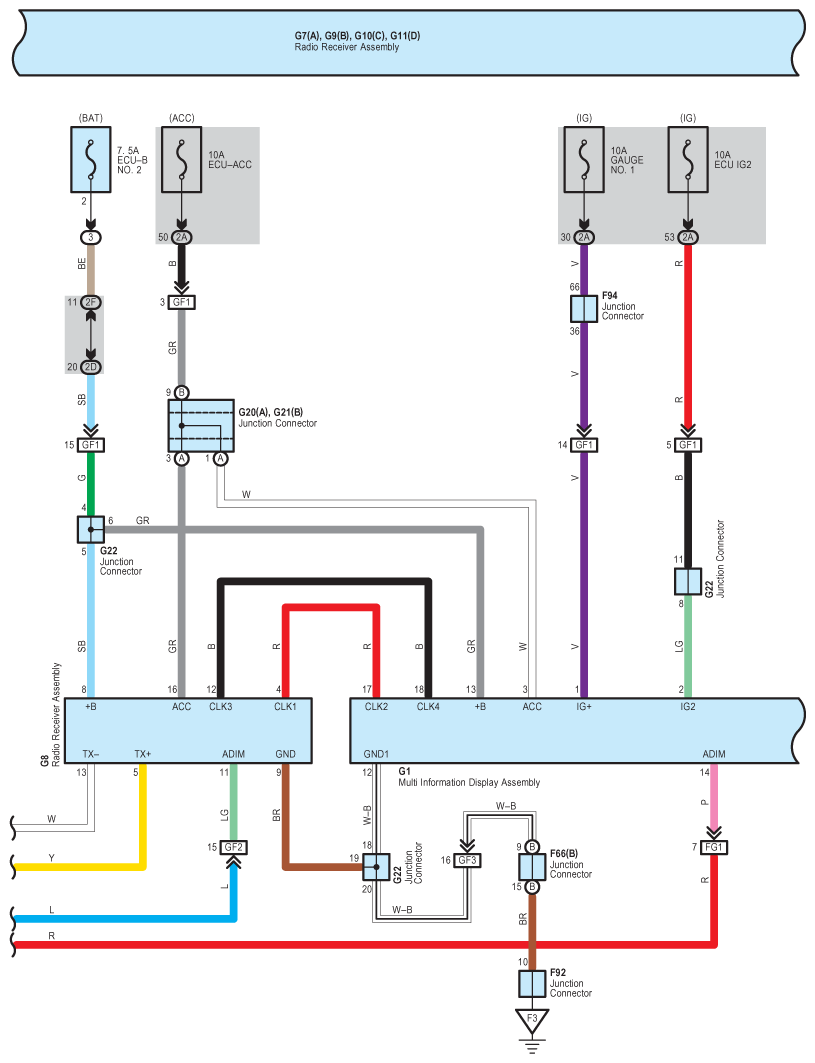
Fig 1: Audio System (W/O Lexus Navigation System) - Circuit Diagram (1 Of 10)
G07576301Courtesy of © TOYOTA, LICENSE AGREEMENT TMS1002
Fig 2: Audio System (W/O Lexus Navigation System) - Circuit Diagram (2 Of 10)
G07576302Courtesy of © TOYOTA, LICENSE AGREEMENT TMS1002
Fig 3: Audio System (W/O Lexus Navigation System) - Circuit Diagram (3 Of 10)
G07576303Courtesy of © TOYOTA, LICENSE AGREEMENT TMS1002
Fig 4: Audio System (W/O Lexus Navigation System) - Circuit Diagram (4 Of 10)
G07576304Courtesy of © TOYOTA, LICENSE AGREEMENT TMS1002
Fig 5: Audio System (W/O Lexus Navigation System) - Circuit Diagram (5 Of 10)
G07576305Courtesy of © TOYOTA, LICENSE AGREEMENT TMS1002
Fig 6: Audio System (W/O Lexus Navigation System) - Circuit Diagram (6 Of 10)
G07576306Courtesy of © TOYOTA, LICENSE AGREEMENT TMS1002
Fig 7: Audio System (W/O Lexus Navigation System) - Circuit Diagram (7 Of 10)
G07576307Courtesy of © TOYOTA, LICENSE AGREEMENT TMS1002
Fig 8: Audio System (W/O Lexus Navigation System) - Circuit Diagram (8 Of 10)
G07576308Courtesy of © TOYOTA, LICENSE AGREEMENT TMS1002
Fig 9: Audio System (W/O Lexus Navigation System) - Circuit Diagram (9 Of 10)
G07576309Courtesy of © TOYOTA, LICENSE AGREEMENT TMS1002
Fig 10: Audio System (W/O Lexus Navigation System) - Circuit Diagram (10 Of 10)
G07576310Courtesy of © TOYOTA, LICENSE AGREEMENT TMS1002