LEMON Manuals: Even more car manuals for everyone: 1960-2025
Home >> Lexus >> 2012 >> CT 200h Base >> Repair and Diagnosis >> Electrical >> Body Electrical >> OEM System Circuits >> Seat Heater >> Notes
April 5, 2026: LEMON Manuals is launched! Read the announcement.

Seat Heater: Notes

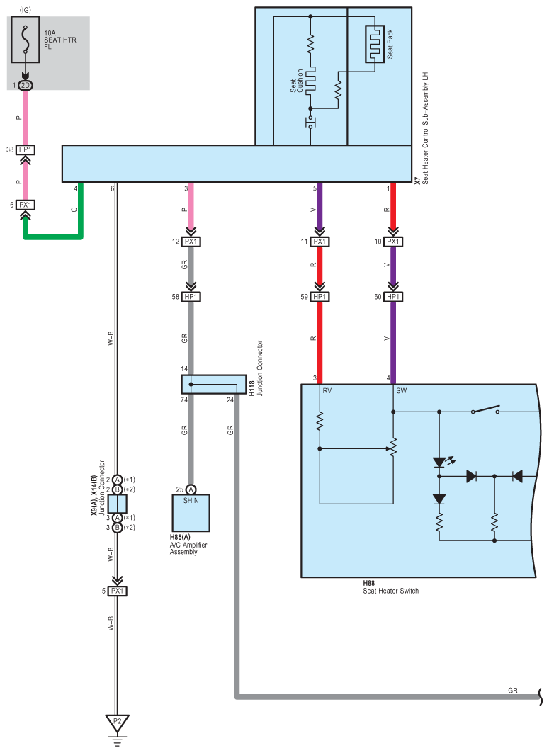
Fig 1: Seat Heater - Wiring Diagram (1 Of 2)
G08934654Courtesy of © TOYOTA, LICENSE AGREEMENT TMS1002
Fig 2: Seat Heater - Wiring Diagram (2 Of 2)
G08934655Courtesy of © TOYOTA, LICENSE AGREEMENT TMS1002