LEMON Manuals: Even more car manuals for everyone: 1960-2025
Home >> Lexus >> 2012 >> CT 200h Base >> Repair and Diagnosis >> Electrical >> Body Electrical >> OEM System Circuits >> Turn Signal Flasher Assembly >> Notes
April 5, 2026: LEMON Manuals is launched! Read the announcement.

Turn Signal Flasher Assembly: Notes

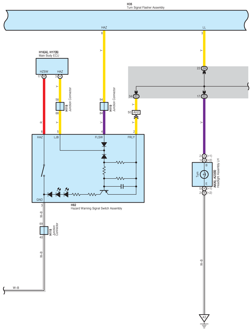
Fig 1: Turn Signal Flasher Assembly - Wiring Diagram (1 Of 4)
G08934520Courtesy of © TOYOTA, LICENSE AGREEMENT TMS1002
Fig 2: Turn Signal Flasher Assembly - Wiring Diagram (2 Of 4)
G08934521Courtesy of © TOYOTA, LICENSE AGREEMENT TMS1002
Fig 3: Turn Signal Flasher Assembly - Wiring Diagram (3 Of 4)
G08934522Courtesy of © TOYOTA, LICENSE AGREEMENT TMS1002
Fig 4: Turn Signal Flasher Assembly - Wiring Diagram (4 Of 4)
G08934523Courtesy of © TOYOTA, LICENSE AGREEMENT TMS1002