LEMON Manuals: Even more car manuals for everyone: 1960-2025
Home >> Lexus >> 2012 >> CT 200h L4-1.8L (2ZR-FXE) Hybrid >> Repair and Diagnosis >> Powertrain Management >> Computers and Control Systems >> Relays and Modules - Computers and Control Systems >> Main Relay (Computer/Fuel System) >> Testing and Inspection >> Inspection
April 5, 2026: LEMON Manuals is launched! Read the announcement.

Inspection





2ZR-FXE ENGINE CONTROL: INTEGRATION RELAY: INSPECTION

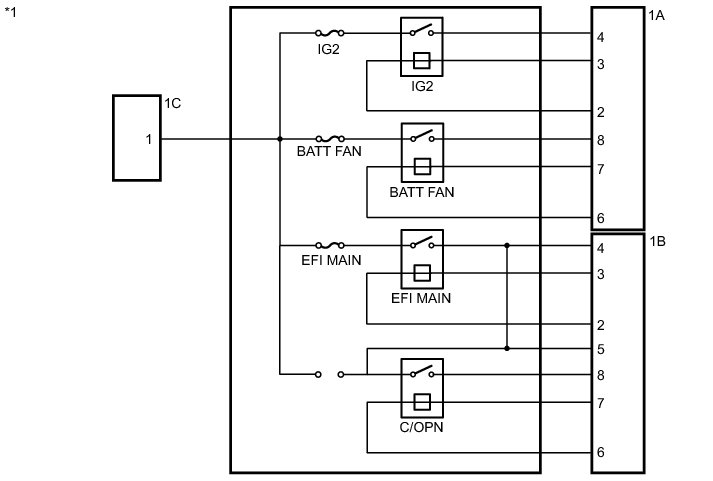
1. INSPECT NO. 2 INTEGRATION RELAY





Text in Illustration





(a) IG2 RELAY:

(1) Measure the resistance according to the value(s) in the table below.





Text in Illustration





Standard Resistance:





If the resistance is not as specified, replace the integration relay.

(b) BATT FAN RELAY:

(1) Measure the resistance according to the value(s) in the table below.





Text in Illustration





Standard Resistance:





If the resistance is not as specified, replace the integration relay.

(c) EFI MAIN RELAY:

(1) Measure the resistance according to the value(s) in the table below.





Text in Illustration





Standard Resistance:





If the resistance is not as specified, replace the integration relay.

(d) C/OPN RELAY:

(1) Measure the resistance according to the value(s) in the table below.





Text in Illustration





Standard Resistance:





If the resistance is not as specified, replace the integration relay.