LEMON Manuals: Even more car manuals for everyone: 1960-2025
Home >> Lexus >> 2012 >> ES 350 V6-3.5L (2GR-FE) >> Repair and Diagnosis >> Powertrain Management >> Ignition System >> Ignition Relay >> Testing and Inspection
April 5, 2026: LEMON Manuals is launched! Read the announcement.

Ignition Relay: Testing and Inspection





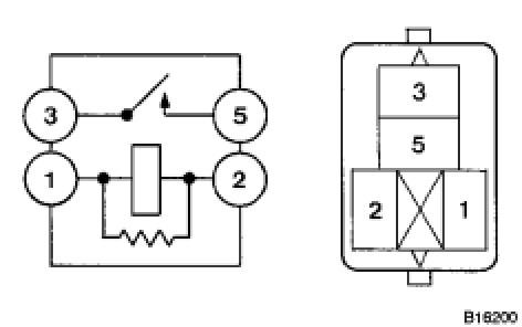
2GR-FE ENGINE CONTROL SYSTEM: IGNITION RELAY NO. 2: INSPECTION

1. INSPECT IGNITION RELAY NO. 2

(a) Using an ohmmeter, measure the resistance according to the value(s) in the table below.





Standard resistance:





If the result is not as specified, replace the relay.