LEMON Manuals: Even more car manuals for everyone: 1960-2025
Home >> Lexus >> 2012 >> GX 460 >> Repair and Diagnosis (Single Page) >> Electrical >> Body Electrical >> OEM System Circuits >> Door Lock Control >> Notes
April 5, 2026: LEMON Manuals is launched! Read the announcement.

Door Lock Control: Notes

Fig 1: Door Lock Control - Wiring Diagram (1 Of 10)
G08931030Courtesy of © TOYOTA, LICENSE AGREEMENT TMS1002
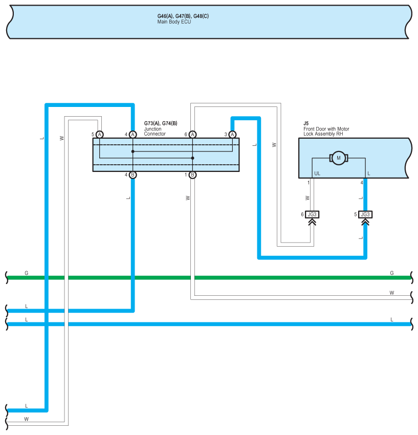
Fig 2: Door Lock Control - Wiring Diagram (2 Of 10)
G08931031Courtesy of © TOYOTA, LICENSE AGREEMENT TMS1002
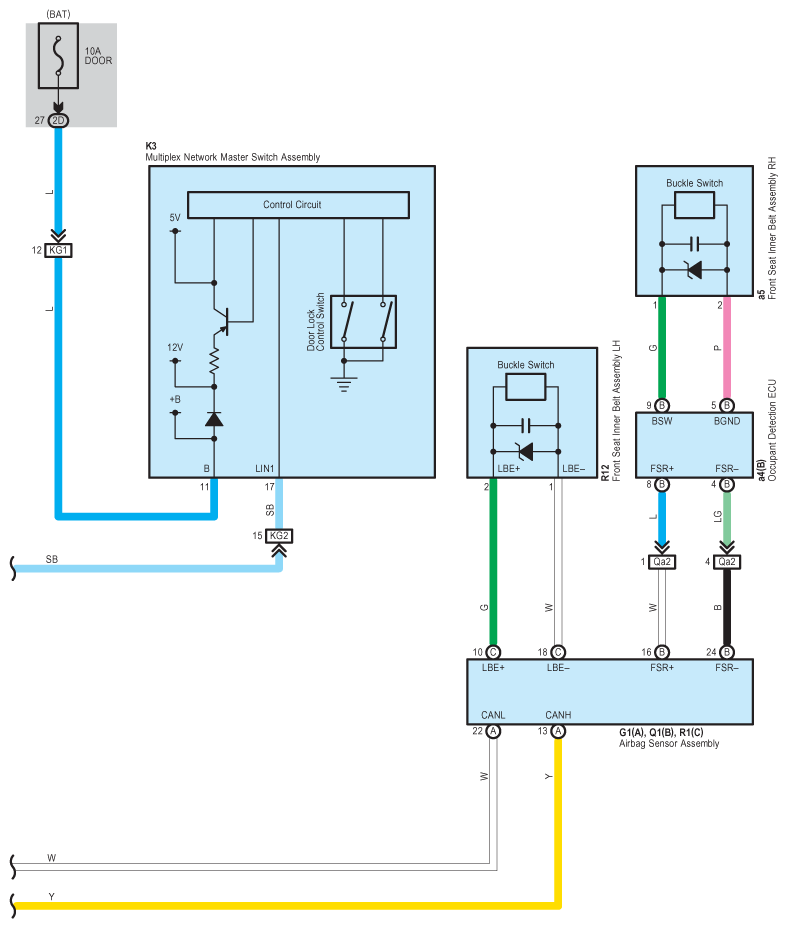
Fig 3: Door Lock Control - Wiring Diagram (3 Of 10)
G08931032Courtesy of © TOYOTA, LICENSE AGREEMENT TMS1002
Fig 4: Door Lock Control - Wiring Diagram (4 Of 10)
G08931033Courtesy of © TOYOTA, LICENSE AGREEMENT TMS1002
Fig 5: Door Lock Control - Wiring Diagram (5 Of 10)
G08931034Courtesy of © TOYOTA, LICENSE AGREEMENT TMS1002
Fig 6: Door Lock Control - Wiring Diagram (6 Of 10)
G08931035Courtesy of © TOYOTA, LICENSE AGREEMENT TMS1002
Fig 7: Door Lock Control - Wiring Diagram (7 Of 10)
G08931036Courtesy of © TOYOTA, LICENSE AGREEMENT TMS1002
Fig 8: Door Lock Control - Wiring Diagram (8 Of 10)
G08931037Courtesy of © TOYOTA, LICENSE AGREEMENT TMS1002
Fig 9: Door Lock Control - Wiring Diagram (9 Of 10)
G08931038Courtesy of © TOYOTA, LICENSE AGREEMENT TMS1002
Fig 10: Door Lock Control - Wiring Diagram (10 Of 10)
G08931039Courtesy of © TOYOTA, LICENSE AGREEMENT TMS1002