LEMON Manuals: Even more car manuals for everyone: 1960-2025
Home >> Lexus >> 2012 >> GX 460 >> Repair and Diagnosis >> Electrical >> Body Electrical >> OEM System Circuits >> Theft Deterrent >> Notes
April 5, 2026: LEMON Manuals is launched! Read the announcement.

Theft Deterrent: Notes

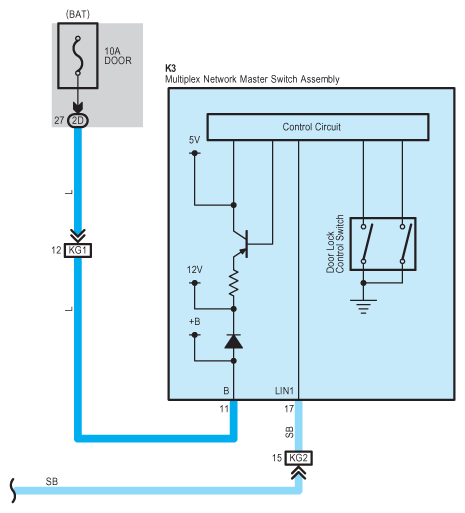
Fig 1: Theft Deterrent - Wiring Diagram (1 Of 7)
G08931040Courtesy of © TOYOTA, LICENSE AGREEMENT TMS1002
Fig 2: Theft Deterrent - Wiring Diagram (2 Of 7)
G08931041Courtesy of © TOYOTA, LICENSE AGREEMENT TMS1002
Fig 3: Theft Deterrent - Wiring Diagram (3 Of 7)
G08931042Courtesy of © TOYOTA, LICENSE AGREEMENT TMS1002
Fig 4: Theft Deterrent - Wiring Diagram (4 Of 7)
G08931043Courtesy of © TOYOTA, LICENSE AGREEMENT TMS1002
Fig 5: Theft Deterrent - Wiring Diagram (5 Of 7)
G08931044Courtesy of © TOYOTA, LICENSE AGREEMENT TMS1002
Fig 6: Theft Deterrent - Wiring Diagram (6 Of 7)
G08931045Courtesy of © TOYOTA, LICENSE AGREEMENT TMS1002
Fig 7: Theft Deterrent - Wiring Diagram (7 Of 7)
G08931046Courtesy of © TOYOTA, LICENSE AGREEMENT TMS1002