LEMON Manuals: Even more car manuals for everyone: 1960-2025
Home >> Lexus >> 2012 >> HS 250h >> Repair and Diagnosis (Single Page) >> Electrical >> Body Electrical >> OEM System Circuits >> Pre-Collision System >> Notes
April 5, 2026: LEMON Manuals is launched! Read the announcement.

Pre-Collision System: Notes

Fig 1: Pre-Collision System - Wiring Diagram (1 Of 8)
G08911513Courtesy of © TOYOTA, LICENSE AGREEMENT TMS1002
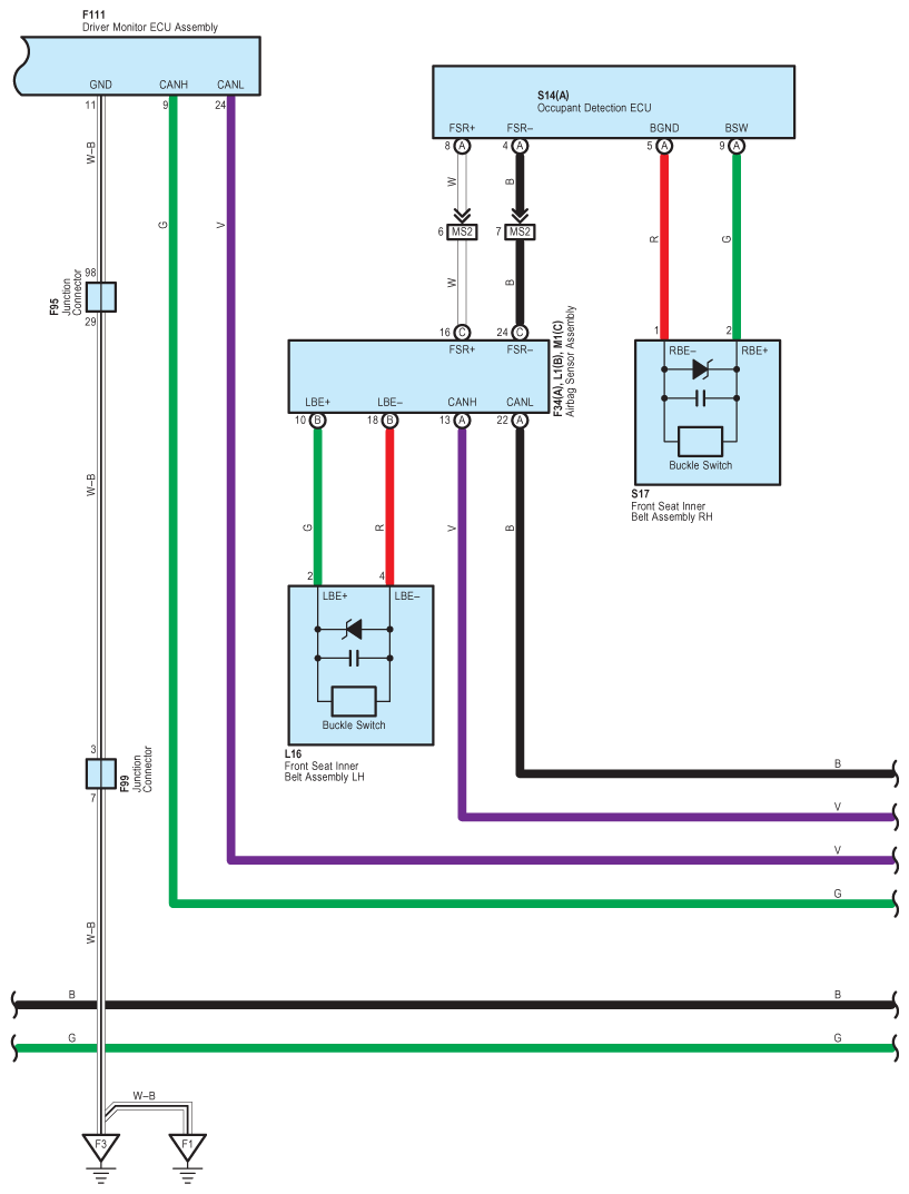
Fig 2: Pre-Collision System - Wiring Diagram (2 Of 8)
G08911514Courtesy of © TOYOTA, LICENSE AGREEMENT TMS1002
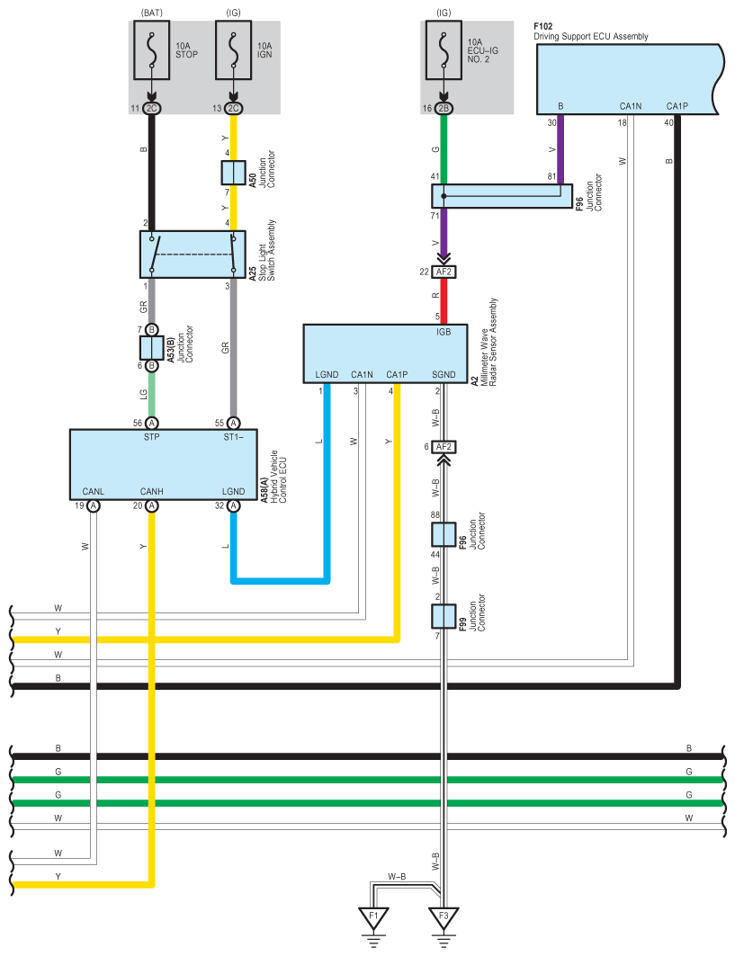
Fig 3: Pre-Collision System - Wiring Diagram (3 Of 8)
G08911515Courtesy of © TOYOTA, LICENSE AGREEMENT TMS1002
Fig 4: Pre-Collision System - Wiring Diagram (4 Of 8)
G08911516Courtesy of © TOYOTA, LICENSE AGREEMENT TMS1002
Fig 5: Pre-Collision System - Wiring Diagram (5 Of 8)
G08911517Courtesy of © TOYOTA, LICENSE AGREEMENT TMS1002
Fig 6: Pre-Collision System - Wiring Diagram (6 Of 8)
G08911518Courtesy of © TOYOTA, LICENSE AGREEMENT TMS1002
Fig 7: Pre-Collision System - Wiring Diagram (7 Of 8)
G08911519Courtesy of © TOYOTA, LICENSE AGREEMENT TMS1002
Fig 8: Pre-Collision System - Wiring Diagram (8 Of 8)
G08911520Courtesy of © TOYOTA, LICENSE AGREEMENT TMS1002