LEMON Manuals: Even more car manuals for everyone: 1960-2025
Home >> Lexus >> 2012 >> HS 250h >> Repair and Diagnosis >> Electrical >> Body Electrical >> OEM System Circuits >> Combination Meter and Headup Display >> Notes
April 5, 2026: LEMON Manuals is launched! Read the announcement.

Combination Meter and Headup Display: Notes

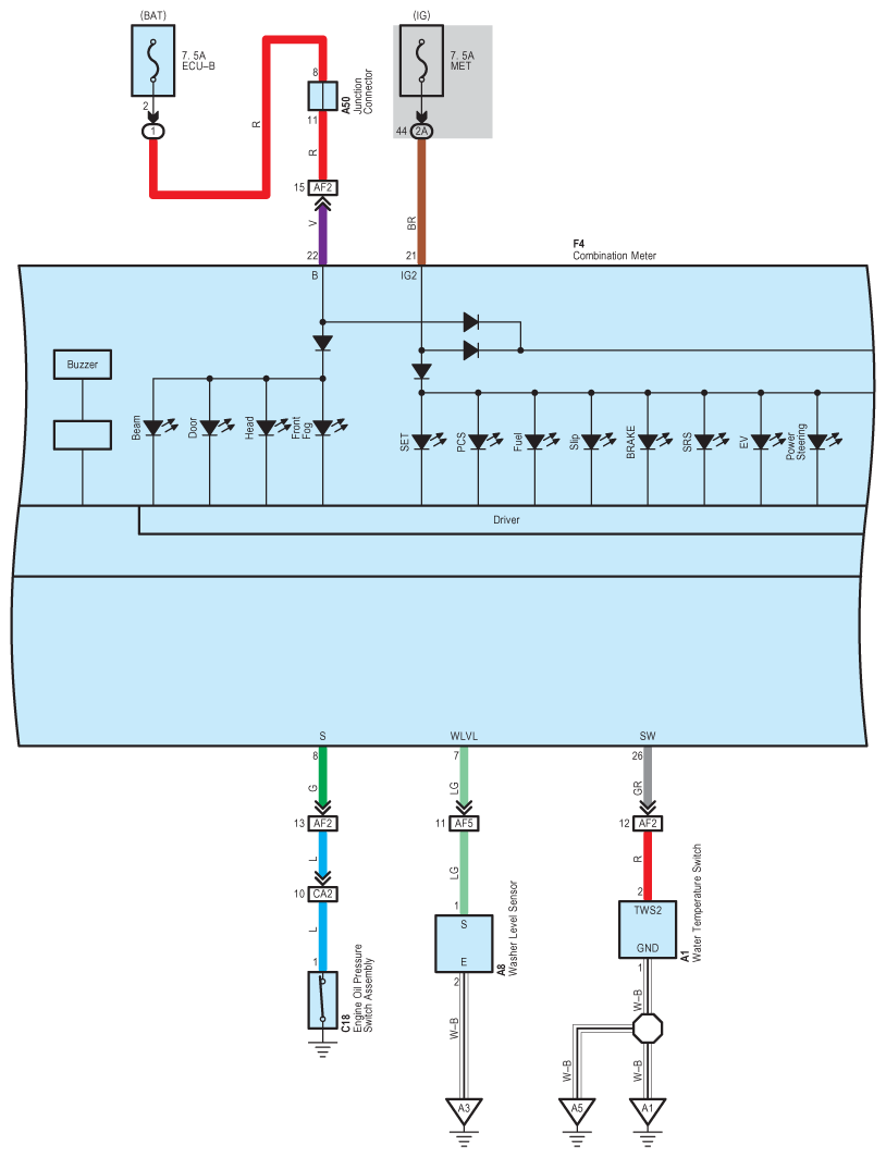
Fig 1: Combination Meter And Headup Display - Wiring Diagram (1 Of 12)
G08911645Courtesy of © TOYOTA, LICENSE AGREEMENT TMS1002
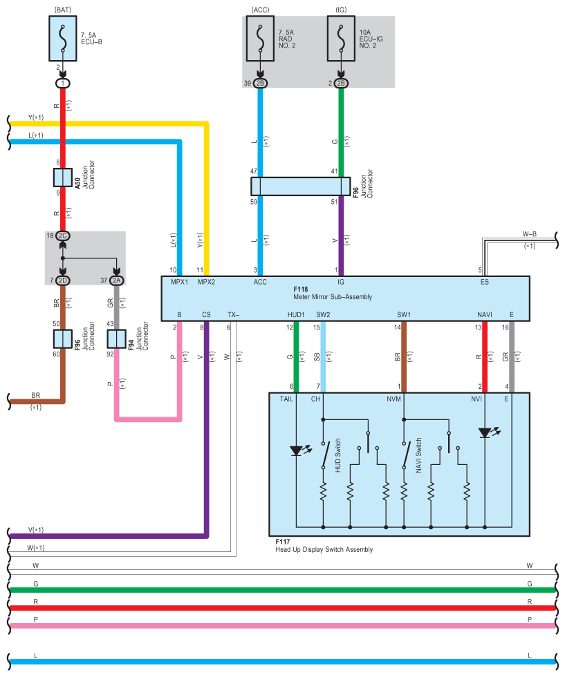
Fig 2: Combination Meter And Headup Display - Wiring Diagram (2 Of 12)
G08911646Courtesy of © TOYOTA, LICENSE AGREEMENT TMS1002
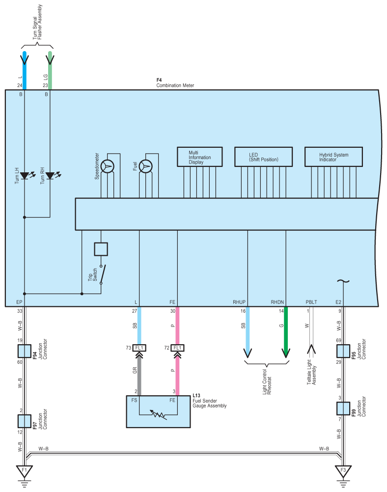
Fig 3: Combination Meter And Headup Display - Wiring Diagram (3 Of 12)
G08911647Courtesy of © TOYOTA, LICENSE AGREEMENT TMS1002
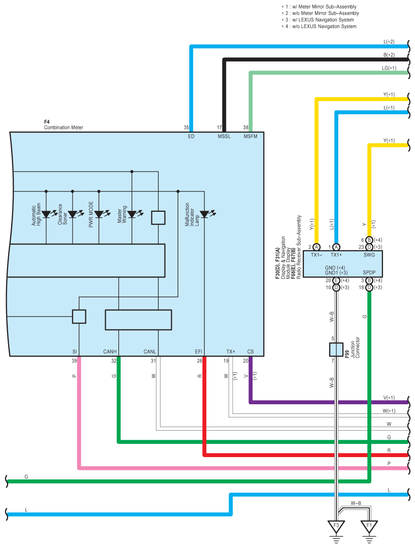
Fig 4: Combination Meter And Headup Display - Wiring Diagram (4 Of 12)
G08911648Courtesy of © TOYOTA, LICENSE AGREEMENT TMS1002
Fig 5: Combination Meter And Headup Display - Wiring Diagram (5 Of 12)
G08911649Courtesy of © TOYOTA, LICENSE AGREEMENT TMS1002
Fig 6: Combination Meter And Headup Display - Wiring Diagram (6 Of 12)
G08911650Courtesy of © TOYOTA, LICENSE AGREEMENT TMS1002
Fig 7: Combination Meter And Headup Display - Wiring Diagram (7 Of 12)
G08911651Courtesy of © TOYOTA, LICENSE AGREEMENT TMS1002
Fig 8: Combination Meter And Headup Display - Wiring Diagram (8 Of 12)
G08911652Courtesy of © TOYOTA, LICENSE AGREEMENT TMS1002
Fig 9: Combination Meter And Headup Display - Wiring Diagram (9 Of 12)
G08911653Courtesy of © TOYOTA, LICENSE AGREEMENT TMS1002
Fig 10: Combination Meter And Headup Display - Wiring Diagram (10 Of 12)
G08911654Courtesy of © TOYOTA, LICENSE AGREEMENT TMS1002
Fig 11: Combination Meter And Headup Display - Wiring Diagram (11 Of 12)
G08911655Courtesy of © TOYOTA, LICENSE AGREEMENT TMS1002
Fig 12: Combination Meter And Headup Display - Wiring Diagram (12 Of 12)
G08911656Courtesy of © TOYOTA, LICENSE AGREEMENT TMS1002