LEMON Manuals: Even more car manuals for everyone: 1960-2025
Home >> Lexus >> 2012 >> HS 250h >> Repair and Diagnosis >> Electrical >> Body Electrical >> OEM System Circuits >> Cruise Control or Dynamic Radar Cruise Control >> Notes
April 5, 2026: LEMON Manuals is launched! Read the announcement.

Cruise Control or Dynamic Radar Cruise Control: Notes

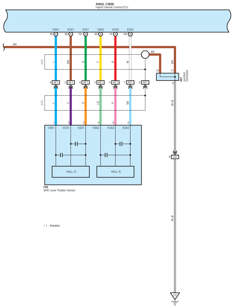
Fig 1: Cruise Control Or Dynamic Radar Cruise Control - Wiring Diagram (1 Of 17)
G08911389Courtesy of © TOYOTA, LICENSE AGREEMENT TMS1002
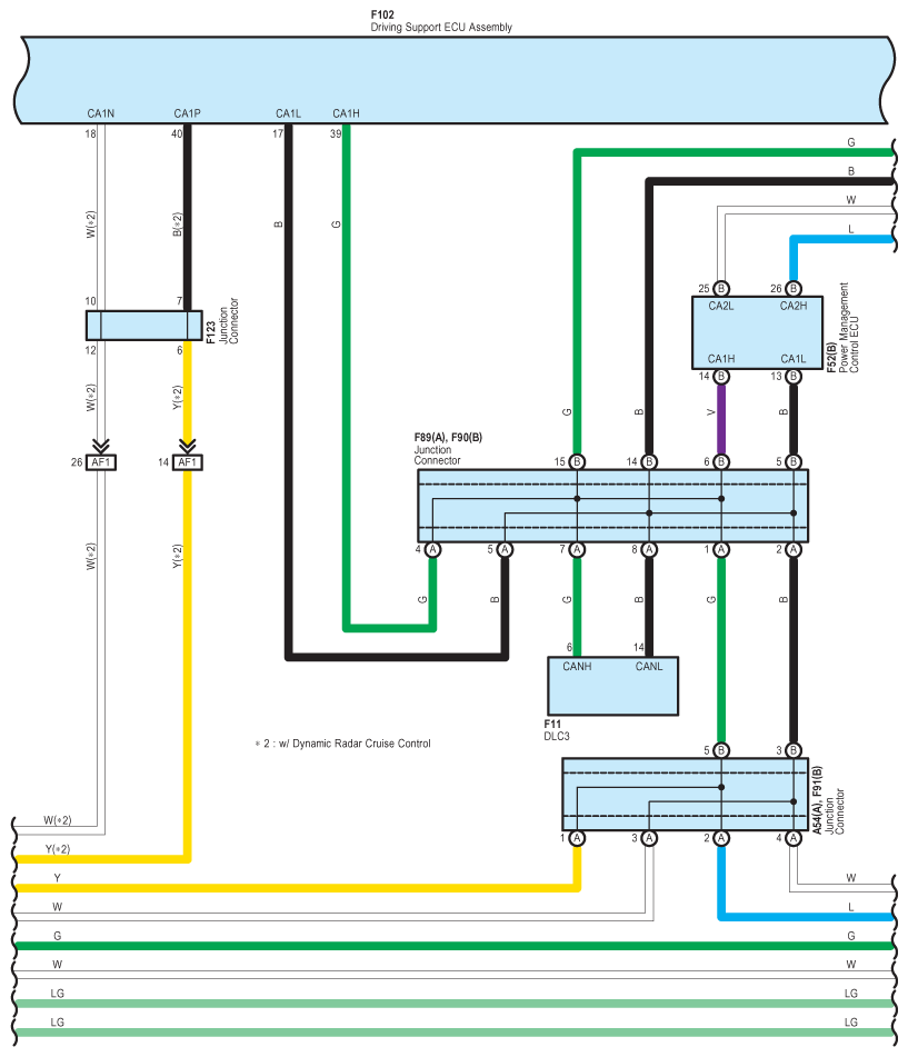
Fig 2: Cruise Control Or Dynamic Radar Cruise Control - Wiring Diagram (2 Of 17)
G08911390Courtesy of © TOYOTA, LICENSE AGREEMENT TMS1002
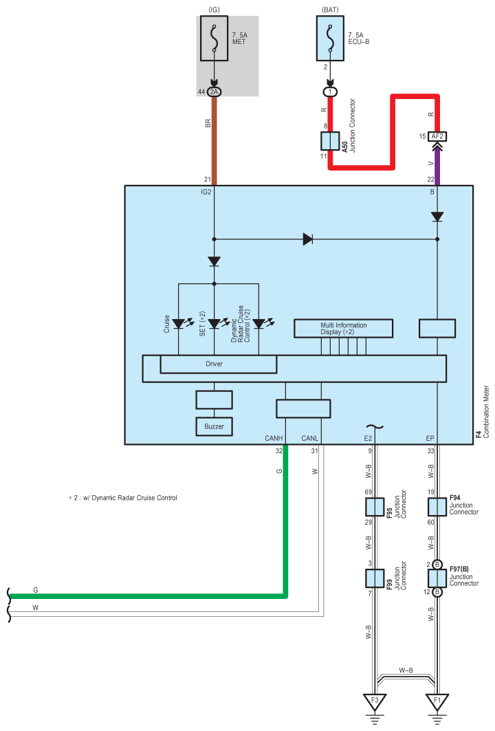
Fig 3: Cruise Control Or Dynamic Radar Cruise Control - Wiring Diagram (3 Of 17)
G08911391Courtesy of © TOYOTA, LICENSE AGREEMENT TMS1002
Fig 4: Cruise Control Or Dynamic Radar Cruise Control - Wiring Diagram (4 Of 17)
G08911392Courtesy of © TOYOTA, LICENSE AGREEMENT TMS1002
Fig 5: Cruise Control Or Dynamic Radar Cruise Control - Wiring Diagram (5 Of 17)
G08911393Courtesy of © TOYOTA, LICENSE AGREEMENT TMS1002
Fig 6: Cruise Control Or Dynamic Radar Cruise Control - Wiring Diagram (6 Of 17)
G08911394Courtesy of © TOYOTA, LICENSE AGREEMENT TMS1002
Fig 7: Cruise Control Or Dynamic Radar Cruise Control - Wiring Diagram (7 Of 17)
G08911395Courtesy of © TOYOTA, LICENSE AGREEMENT TMS1002
Fig 8: Cruise Control Or Dynamic Radar Cruise Control - Wiring Diagram (8 Of 17)
G08911396Courtesy of © TOYOTA, LICENSE AGREEMENT TMS1002
Fig 9: Cruise Control Or Dynamic Radar Cruise Control - Wiring Diagram (9 Of 17)
G08911397Courtesy of © TOYOTA, LICENSE AGREEMENT TMS1002
Fig 10: Cruise Control Or Dynamic Radar Cruise Control - Wiring Diagram (10 Of 17)
G08911398Courtesy of © TOYOTA, LICENSE AGREEMENT TMS1002
Fig 11: Cruise Control Or Dynamic Radar Cruise Control - Wiring Diagram (11 Of 17)
G08911399Courtesy of © TOYOTA, LICENSE AGREEMENT TMS1002
Fig 12: Cruise Control Or Dynamic Radar Cruise Control - Wiring Diagram (12 Of 17)
G08911400Courtesy of © TOYOTA, LICENSE AGREEMENT TMS1002
Fig 13: Cruise Control Or Dynamic Radar Cruise Control - Wiring Diagram (13 Of 17)
G08911401Courtesy of © TOYOTA, LICENSE AGREEMENT TMS1002
Fig 14: Cruise Control Or Dynamic Radar Cruise Control - Wiring Diagram (14 Of 17)
G08911402Courtesy of © TOYOTA, LICENSE AGREEMENT TMS1002
Fig 15: Cruise Control Or Dynamic Radar Cruise Control - Wiring Diagram (15 Of 17)
G08911403Courtesy of © TOYOTA, LICENSE AGREEMENT TMS1002
Fig 16: Cruise Control Or Dynamic Radar Cruise Control - Wiring Diagram (16 Of 17)
G08911404Courtesy of © TOYOTA, LICENSE AGREEMENT TMS1002
Fig 17: Cruise Control Or Dynamic Radar Cruise Control - Wiring Diagram (17 Of 17)
G08911405Courtesy of © TOYOTA, LICENSE AGREEMENT TMS1002