LEMON Manuals: Even more car manuals for everyone: 1960-2025
Home >> Lexus >> 2012 >> HS 250h >> Repair and Diagnosis >> Electrical >> Body Electrical >> OEM System Circuits >> Electric Tension Reducer >> Notes
April 5, 2026: LEMON Manuals is launched! Read the announcement.

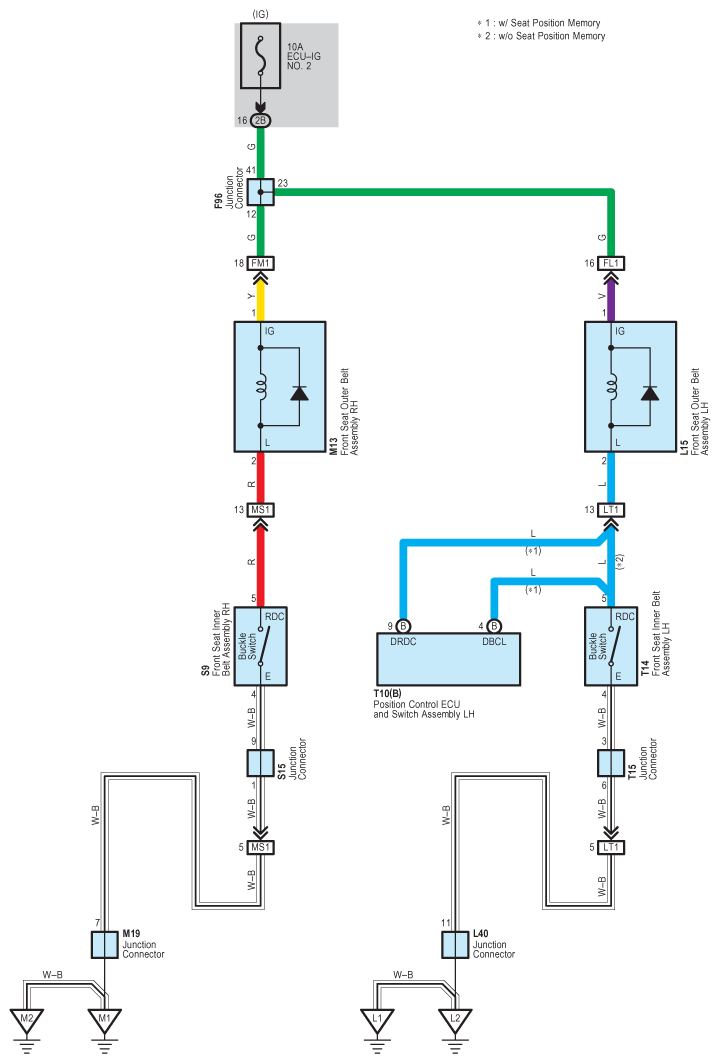
Electric Tension Reducer: Notes

Fig 1: Electric Tension Reducer - Circuit Diagram
G08911524Courtesy of © TOYOTA, LICENSE AGREEMENT TMS1002