LEMON Manuals: Even more car manuals for everyone: 1960-2025
Home >> Lexus >> 2012 >> HS 250h >> Repair and Diagnosis >> Electrical >> Body Electrical >> OEM System Circuits >> Mirror Heater and Rear Window Defogger >> Notes
April 5, 2026: LEMON Manuals is launched! Read the announcement.

Mirror Heater and Rear Window Defogger: Notes

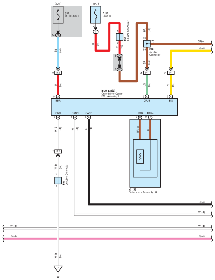
Fig 1: Mirror Heater And Rear Window Defogger - Wiring Diagram (1 Of 8)
G08911578Courtesy of © TOYOTA, LICENSE AGREEMENT TMS1002
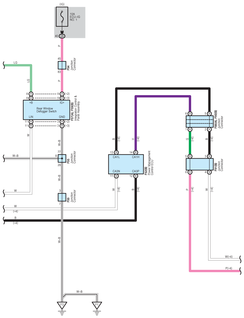
Fig 2: Mirror Heater And Rear Window Defogger - Wiring Diagram (2 Of 8)
G08911579Courtesy of © TOYOTA, LICENSE AGREEMENT TMS1002
Fig 3: Mirror Heater And Rear Window Defogger - Wiring Diagram (3 Of 8)
G08911580Courtesy of © TOYOTA, LICENSE AGREEMENT TMS1002
Fig 4: Mirror Heater And Rear Window Defogger - Wiring Diagram (4 Of 8)
G08911581Courtesy of © TOYOTA, LICENSE AGREEMENT TMS1002
Fig 5: Mirror Heater And Rear Window Defogger - Wiring Diagram (5 Of 8)
G08911582Courtesy of © TOYOTA, LICENSE AGREEMENT TMS1002
Fig 6: Mirror Heater And Rear Window Defogger - Wiring Diagram (6 Of 8)
G08911583Courtesy of © TOYOTA, LICENSE AGREEMENT TMS1002
Fig 7: Mirror Heater And Rear Window Defogger - Wiring Diagram (7 Of 8)
G08911584Courtesy of © TOYOTA, LICENSE AGREEMENT TMS1002
Fig 8: Mirror Heater And Rear Window Defogger - Wiring Diagram (8 Of 8)
G08911585Courtesy of © TOYOTA, LICENSE AGREEMENT TMS1002