LEMON Manuals: Even more car manuals for everyone: 1960-2025
Home >> Lexus >> 2012 >> HS 250h >> Repair and Diagnosis >> Electrical >> Body Electrical >> OEM System Circuits >> SRS >> Notes
April 5, 2026: LEMON Manuals is launched! Read the announcement.

OEM System Circuits: SRS: Notes

NOTE: When inspecting or repairing the SRS, perform service in accordance with the following precautionary instructions and the procedures. .
Fig 1: SRS Components List
G08911505Courtesy of © TOYOTA, LICENSE AGREEMENT TMS1002
Fig 2: SRS - Wiring Diagram (1 Of 7)
G08911506Courtesy of © TOYOTA, LICENSE AGREEMENT TMS1002
Fig 3: SRS - Wiring Diagram (2 Of 7)
G08911507Courtesy of © TOYOTA, LICENSE AGREEMENT TMS1002
Fig 4: SRS - Wiring Diagram (3 Of 7)
G08911508Courtesy of © TOYOTA, LICENSE AGREEMENT TMS1002
Fig 5: SRS - Wiring Diagram (4 Of 7)
G08911509Courtesy of © TOYOTA, LICENSE AGREEMENT TMS1002
Fig 6: SRS - Wiring Diagram (5 Of 7)
G08911510Courtesy of © TOYOTA, LICENSE AGREEMENT TMS1002
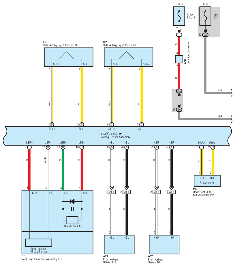
Fig 7: SRS - Wiring Diagram (6 Of 7)
G08911511Courtesy of © TOYOTA, LICENSE AGREEMENT TMS1002
Fig 8: SRS - Wiring Diagram (7 Of 7)
G08911512Courtesy of © TOYOTA, LICENSE AGREEMENT TMS1002