LEMON Manuals: Even more car manuals for everyone: 1960-2025
Home >> Lexus >> 2012 >> HS 250h >> Repair and Diagnosis >> Electrical >> Starter >> Smart Access System (For Start Function) (Diagnostic Codes & Symptom Tests) >> SMART ACCESS SYSTEM WITH PUSH-BUTTON START (For Start Function) >> DTC B2282: Vehicle Speed Signal Malfunction >> Wiring Diagram
April 5, 2026: LEMON Manuals is launched! Read the announcement.

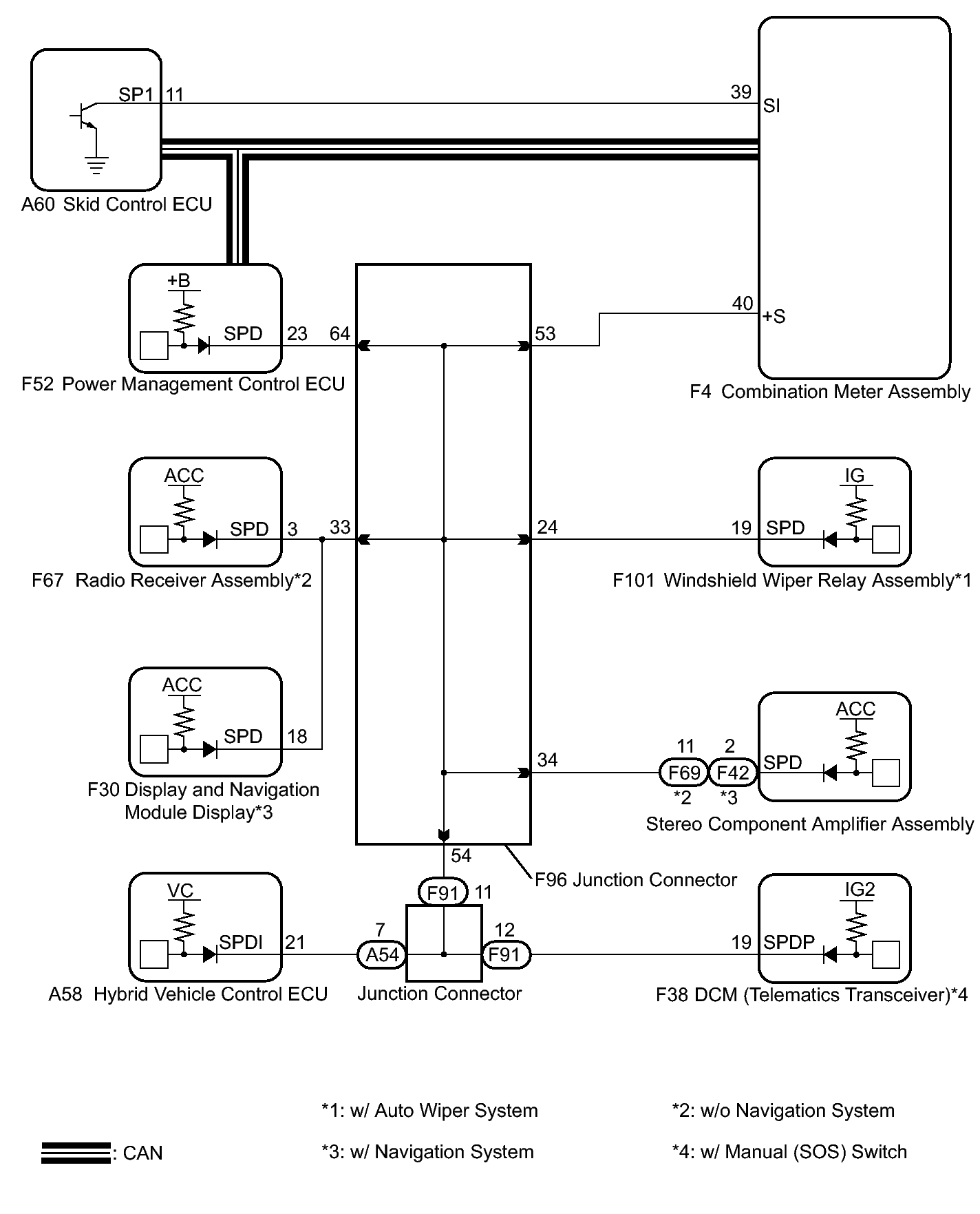
DTC B2282: Vehicle Speed Signal Malfunction: Wiring Diagram

Fig 1: Identifying Vehicle Speed Signal Malfunction Wiring Diagram
GTY257653Courtesy of © TOYOTA, LICENSE AGREEMENT TMS1002

HINT: