LEMON Manuals: Even more car manuals for everyone: 1960-2025
Home >> Lexus >> 2012 >> IS 250 Base, AWD >> Repair and Diagnosis >> Electrical >> Body Electrical >> OEM System Circuits >> Mirror Heater and Rear Window Defogger >> Notes
April 5, 2026: LEMON Manuals is launched! Read the announcement.

Mirror Heater and Rear Window Defogger: Notes

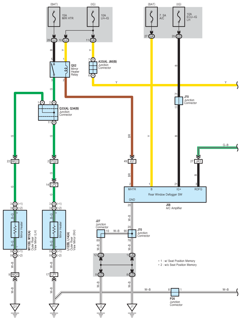
Fig 1: Mirror Heater And Rear Window Defogger - Wiring Diagram (1 Of 2)
G08935643Courtesy of © TOYOTA, LICENSE AGREEMENT TMS1002
Fig 2: Mirror Heater And Rear Window Defogger - Wiring Diagram (2 Of 2)
G08935644Courtesy of © TOYOTA, LICENSE AGREEMENT TMS1002