LEMON Manuals: Even more car manuals for everyone: 1960-2025
Home >> Lexus >> 2012 >> IS 250 Base, AWD >> Repair and Diagnosis >> Electrical >> Body Electrical >> OEM System Circuits >> SRS >> Notes
April 5, 2026: LEMON Manuals is launched! Read the announcement.

OEM System Circuits: SRS: Notes

NOTE: When inspecting or repairing the SRS, perform service in accordance with the following precautionary instructions and the procedurs.
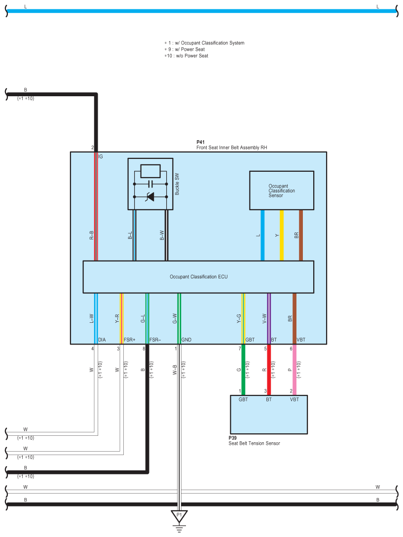
Fig 2: SRS - Wiring Diagram (1 Of 8)
G08935581Courtesy of © TOYOTA, LICENSE AGREEMENT TMS1002
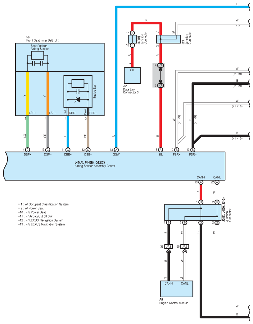
Fig 3: SRS - Wiring Diagram (2 Of 8)
G08935582Courtesy of © TOYOTA, LICENSE AGREEMENT TMS1002
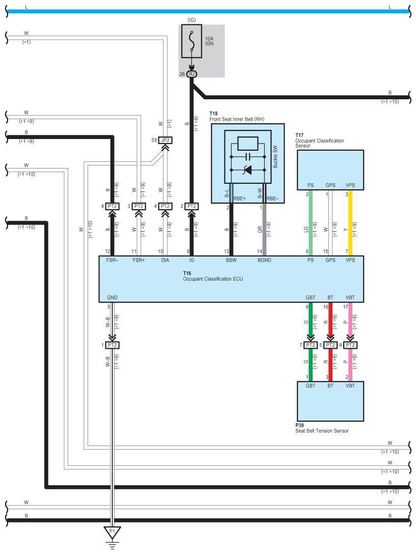
Fig 4: SRS - Wiring Diagram (3 Of 8)
G08935583Courtesy of © TOYOTA, LICENSE AGREEMENT TMS1002
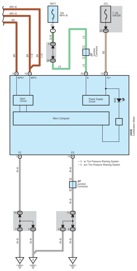
Fig 5: SRS - Wiring Diagram (4 Of 8)
G08935584Courtesy of © TOYOTA, LICENSE AGREEMENT TMS1002
Fig 6: SRS - Wiring Diagram (5 Of 8)
G08935585Courtesy of © TOYOTA, LICENSE AGREEMENT TMS1002
Fig 7: SRS - Wiring Diagram (6 Of 8)
G08935586Courtesy of © TOYOTA, LICENSE AGREEMENT TMS1002
Fig 8: SRS - Wiring Diagram (7 Of 8)
G08935587Courtesy of © TOYOTA, LICENSE AGREEMENT TMS1002
Fig 9: SRS - Wiring Diagram (8 Of 8)
G08935588Courtesy of © TOYOTA, LICENSE AGREEMENT TMS1002