LEMON Manuals: Even more car manuals for everyone: 1960-2025
Home >> Lexus >> 2012 >> IS 250 Base, RWD, Automatic >> Repair and Diagnosis (Single Page) >> Electrical >> Body Electrical >> OEM System Circuits >> Charging >> Notes
April 5, 2026: LEMON Manuals is launched! Read the announcement.

OEM System Circuits: Charging: Notes

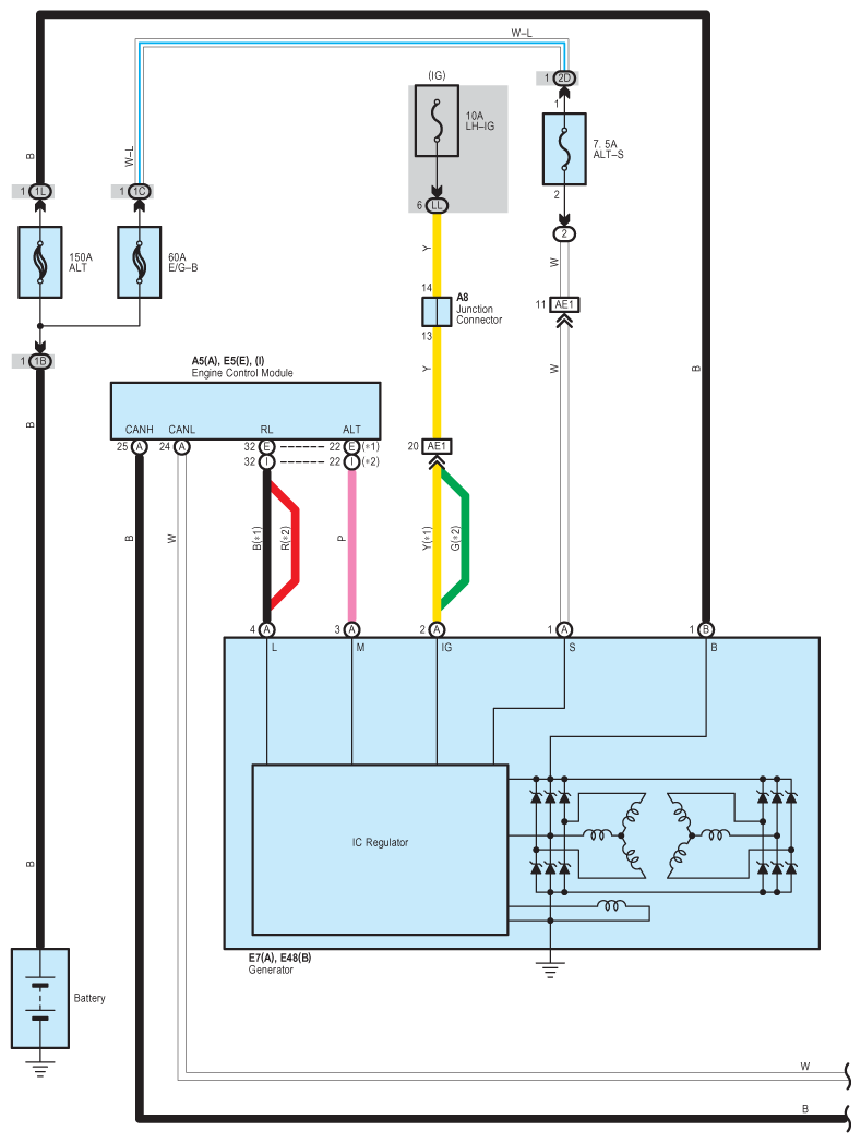
Fig 1: Charging - Wiring Diagram (1 Of 2)
G08935389Courtesy of © TOYOTA, LICENSE AGREEMENT TMS1002
Fig 2: Charging - Wiring Diagram (2 Of 2)
G08935390Courtesy of © TOYOTA, LICENSE AGREEMENT TMS1002