LEMON Manuals: Even more car manuals for everyone: 1960-2025
Home >> Lexus >> 2012 >> IS 250C Automatic Trans >> Repair and Diagnosis (Single Page) >> Electrical >> Body Electrical >> OEM System Circuits >> Automatic Light Control >> Notes
April 5, 2026: LEMON Manuals is launched! Read the announcement.

Automatic Light Control: Notes

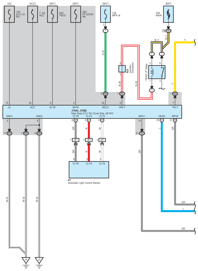
Fig 1: Automatic Light Control - Wiring Diagram (1 Of 4)
G08938675Courtesy of © TOYOTA, LICENSE AGREEMENT TMS1002
Fig 2: Automatic Light Control - Wiring Diagram (2 Of 4)
G08938676Courtesy of © TOYOTA, LICENSE AGREEMENT TMS1002
Fig 3: Automatic Light Control - Wiring Diagram (3 Of 4)
G08938677Courtesy of © TOYOTA, LICENSE AGREEMENT TMS1002
Fig 4: Automatic Light Control - Wiring Diagram (4 Of 4)
G08938678Courtesy of © TOYOTA, LICENSE AGREEMENT TMS1002