LEMON Manuals: Even more car manuals for everyone: 1960-2025
Home >> Lexus >> 2012 >> IS 250C Automatic Trans >> Repair and Diagnosis >> Accessories & Equipment >> Cruise Control Systems >> Cruise Control System (Diagnostics - Introduction) >> Cruise Control System >> System Diagram >> System Diagram
April 5, 2026: LEMON Manuals is launched! Read the announcement.

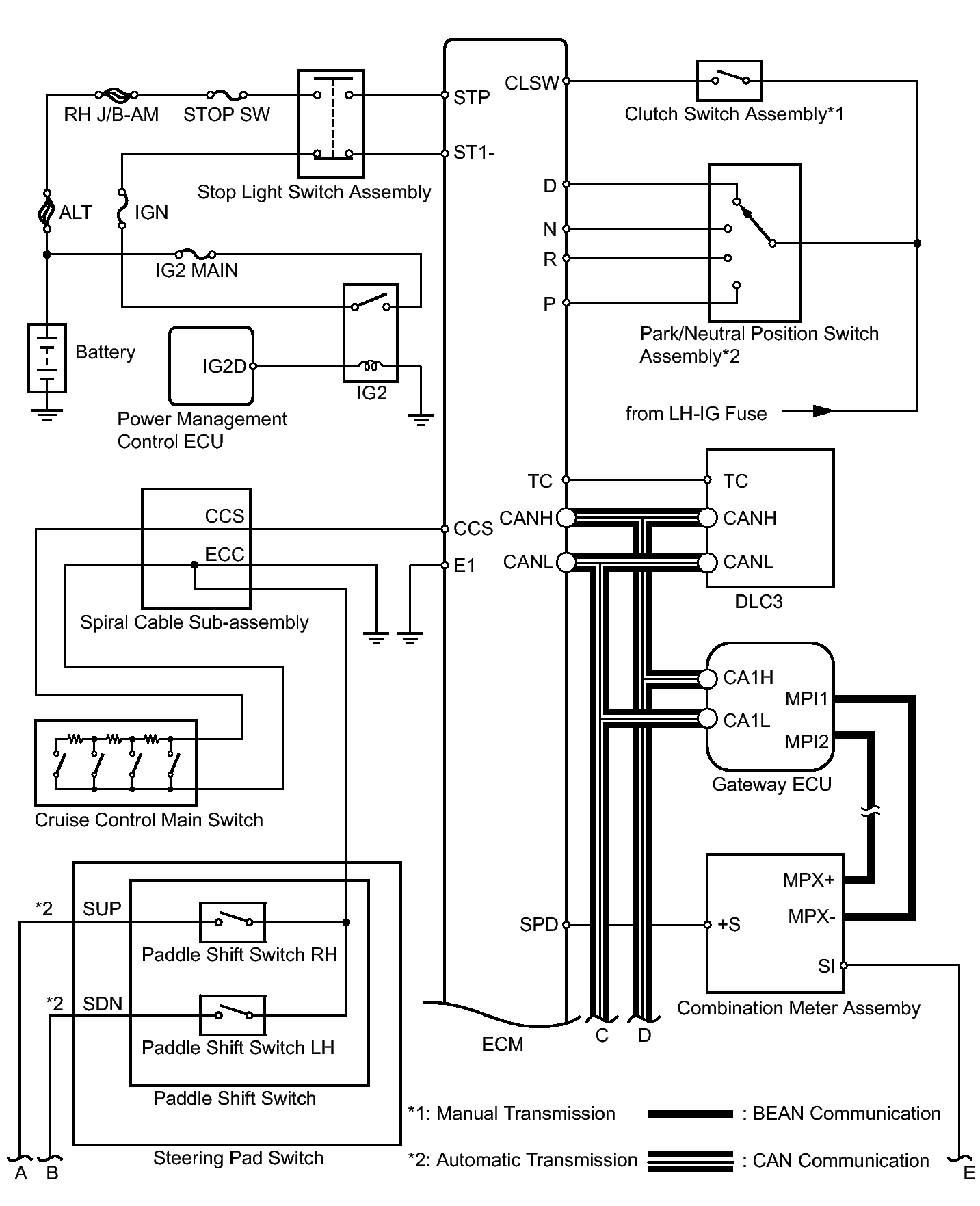
System Diagram

Fig 1: Identifying Cruise Control System Wiring Diagram (1 Of 2)
GTY350030Courtesy of © TOYOTA, LICENSE AGREEMENT TMS1002
Fig 2: Identifying Cruise Control System Wiring Diagram (2 Of 2)
GTY256886Courtesy of © TOYOTA, LICENSE AGREEMENT TMS1002
COMMUNICATION TABLE

Sender Receiver Signal Line
ECM Gateway ECU
  • CRUISE main indicator operation signal
  • Diagnostic signal
CAN
Gateway ECU Combination Meter ECU
  • CRUISE main indicator operation signal
  • Diagnostic signal
BEAN
(Instrument Panel Bus)