LEMON Manuals: Even more car manuals for everyone: 1960-2025
Home >> Lexus >> 2012 >> IS 250C Automatic Trans >> Repair and Diagnosis >> Electrical >> Body Electrical >> OEM System Circuits >> Cooling Fan >> Notes
April 5, 2026: LEMON Manuals is launched! Read the announcement.

Cooling Fan: Notes

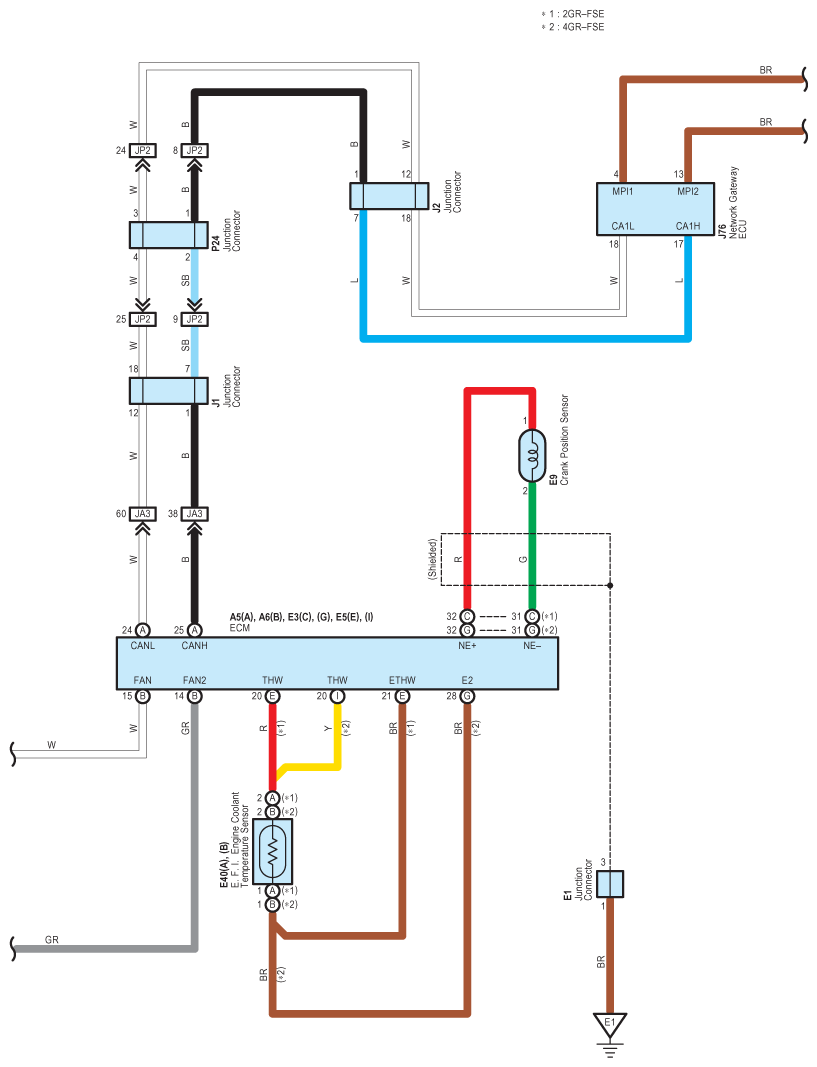
Fig 1: Cooling Fan - Wiring Diagram (1 Of 3)
G08938932Courtesy of © TOYOTA, LICENSE AGREEMENT TMS1002
Fig 2: Cooling Fan - Wiring Diagram (2 Of 3)
G08938933Courtesy of © TOYOTA, LICENSE AGREEMENT TMS1002
Fig 3: Cooling Fan - Wiring Diagram (3 Of 3)
G08938934Courtesy of © TOYOTA, LICENSE AGREEMENT TMS1002