LEMON Manuals: Even more car manuals for everyone: 1960-2025
Home >> Lexus >> 2012 >> IS 250C Automatic Trans >> Repair and Diagnosis >> Electrical >> Body Electrical >> OEM System Circuits >> Dynamic Radar Cruise Control (4GR-FSE) >> Notes
April 5, 2026: LEMON Manuals is launched! Read the announcement.

Dynamic Radar Cruise Control (4GR-FSE): Notes

Fig 1: Dynamic Radar Cruise Control (4GR-FSE) - Wiring Diagram (1 Of 14)
G08938758Courtesy of © TOYOTA, LICENSE AGREEMENT TMS1002
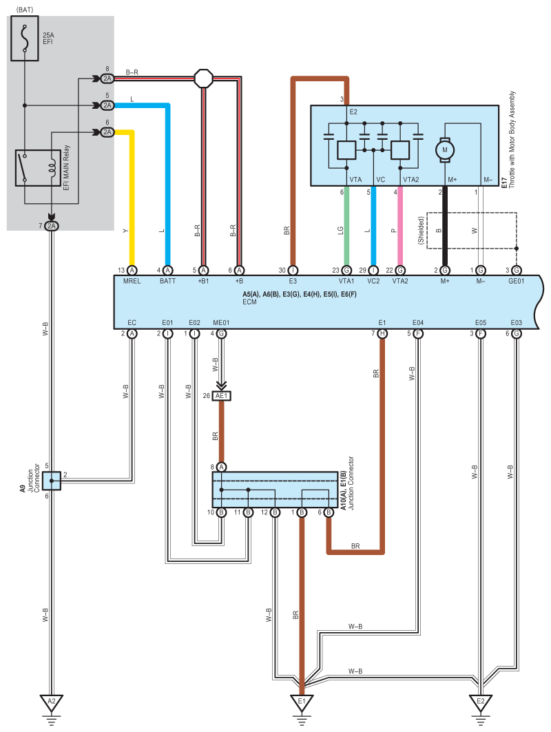
Fig 2: Dynamic Radar Cruise Control (4GR-FSE) - Wiring Diagram (2 Of 14)
G08938759Courtesy of © TOYOTA, LICENSE AGREEMENT TMS1002
Fig 3: Dynamic Radar Cruise Control (4GR-FSE) - Wiring Diagram (3 Of 14)
G08938760Courtesy of © TOYOTA, LICENSE AGREEMENT TMS1002
Fig 4: Dynamic Radar Cruise Control (4GR-FSE) - Wiring Diagram (4 Of 14)
G08938761Courtesy of © TOYOTA, LICENSE AGREEMENT TMS1002
Fig 5: Dynamic Radar Cruise Control (4GR-FSE) - Wiring Diagram (5 Of 14)
G08938762Courtesy of © TOYOTA, LICENSE AGREEMENT TMS1002
Fig 6: Dynamic Radar Cruise Control (4GR-FSE) - Wiring Diagram (6 Of 14)
G08938763Courtesy of © TOYOTA, LICENSE AGREEMENT TMS1002
Fig 7: Dynamic Radar Cruise Control (4GR-FSE) - Wiring Diagram (7 Of 14)
G08938764Courtesy of © TOYOTA, LICENSE AGREEMENT TMS1002
Fig 8: Dynamic Radar Cruise Control (4GR-FSE) - Wiring Diagram (8 Of 14)
G08938765Courtesy of © TOYOTA, LICENSE AGREEMENT TMS1002
Fig 9: Dynamic Radar Cruise Control (4GR-FSE) - Wiring Diagram (9 Of 14)
G08938766Courtesy of © TOYOTA, LICENSE AGREEMENT TMS1002
Fig 10: Dynamic Radar Cruise Control (4GR-FSE) - Wiring Diagram (10 Of 14)
G08938767Courtesy of © TOYOTA, LICENSE AGREEMENT TMS1002
Fig 11: Dynamic Radar Cruise Control (4GR-FSE) - Wiring Diagram (11 Of 14)
G08938768Courtesy of © TOYOTA, LICENSE AGREEMENT TMS1002
Fig 12: Dynamic Radar Cruise Control (4GR-FSE) - Wiring Diagram (12 Of 14)
G08938769Courtesy of © TOYOTA, LICENSE AGREEMENT TMS1002
Fig 13: Dynamic Radar Cruise Control (4GR-FSE) - Wiring Diagram (13 Of 14)
G08938770Courtesy of © TOYOTA, LICENSE AGREEMENT TMS1002
Fig 14: Dynamic Radar Cruise Control (4GR-FSE) - Wiring Diagram (14 Of 14)
G08938771Courtesy of © TOYOTA, LICENSE AGREEMENT TMS1002