LEMON Manuals: Even more car manuals for everyone: 1960-2025
Home >> Lexus >> 2012 >> IS 250C Automatic Trans >> Repair and Diagnosis >> Electrical >> Body Electrical >> OEM System Circuits >> Engine Immobiliser System, Smart Access System with Push-Button Start, Starting, Steering Lock and Wireless Door Lock Control >> Notes
April 5, 2026: LEMON Manuals is launched! Read the announcement.

Engine Immobiliser System, Smart Access System with Push-Button Start, Starting, Steering Lock and Wireless Door Lock Control: Notes

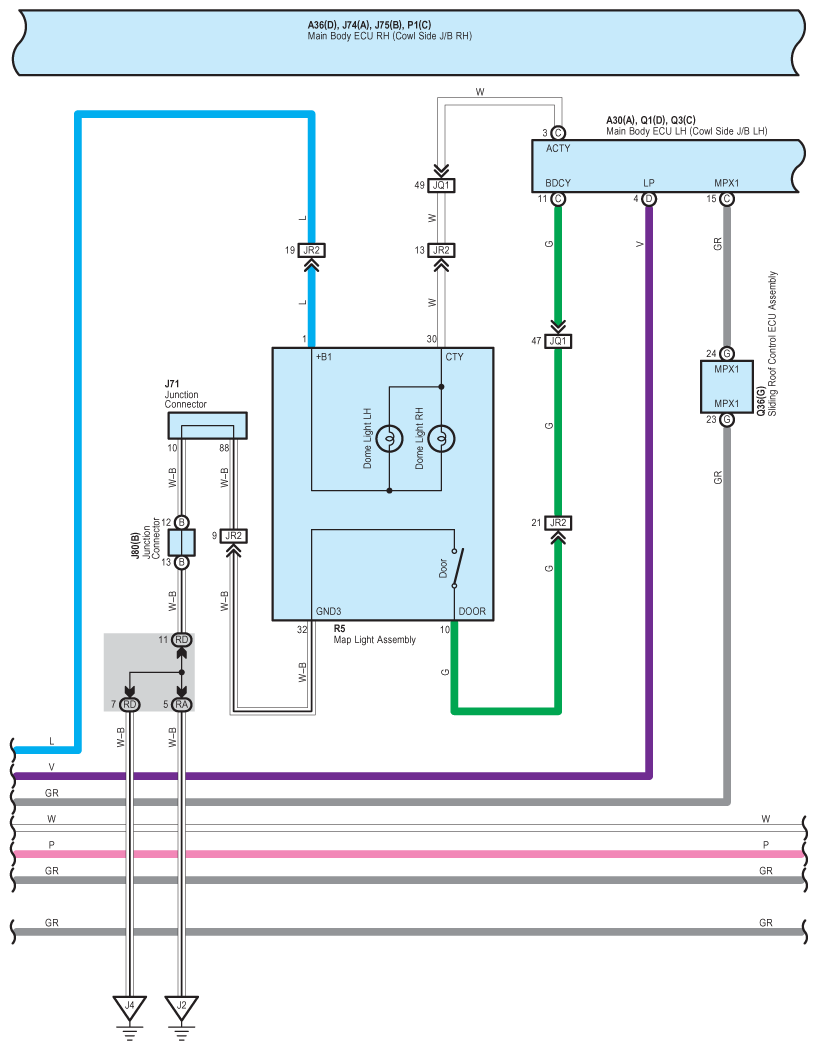
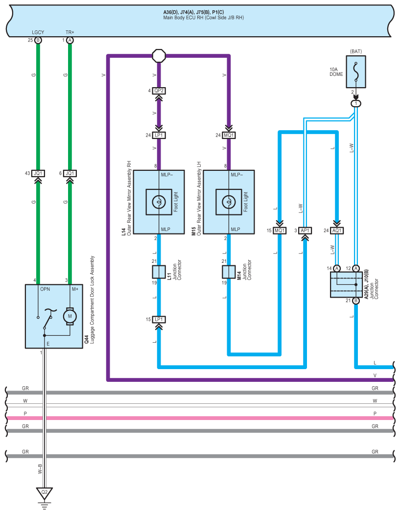
Fig 1: Engine Immobiliser System, Smart Access System With Push-Button Start, Starting, Steering Lock And Wireless Door Lock Control - Wiring Diagram (1 Of 18)
G08938561Courtesy of © TOYOTA, LICENSE AGREEMENT TMS1002
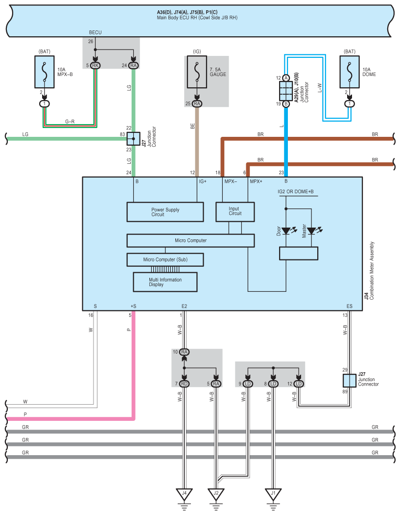
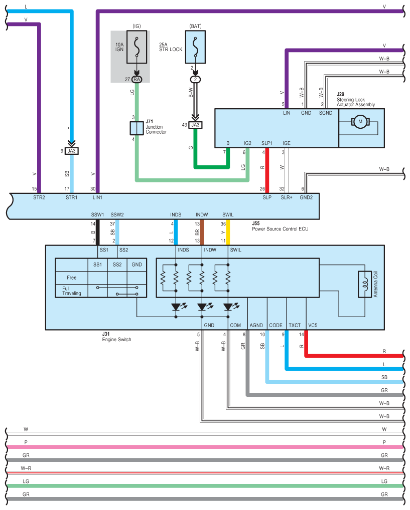
Fig 2: Engine Immobiliser System, Smart Access System With Push-Button Start, Starting, Steering Lock And Wireless Door Lock Control - Wiring Diagram (2 Of 18)
G08938562Courtesy of © TOYOTA, LICENSE AGREEMENT TMS1002
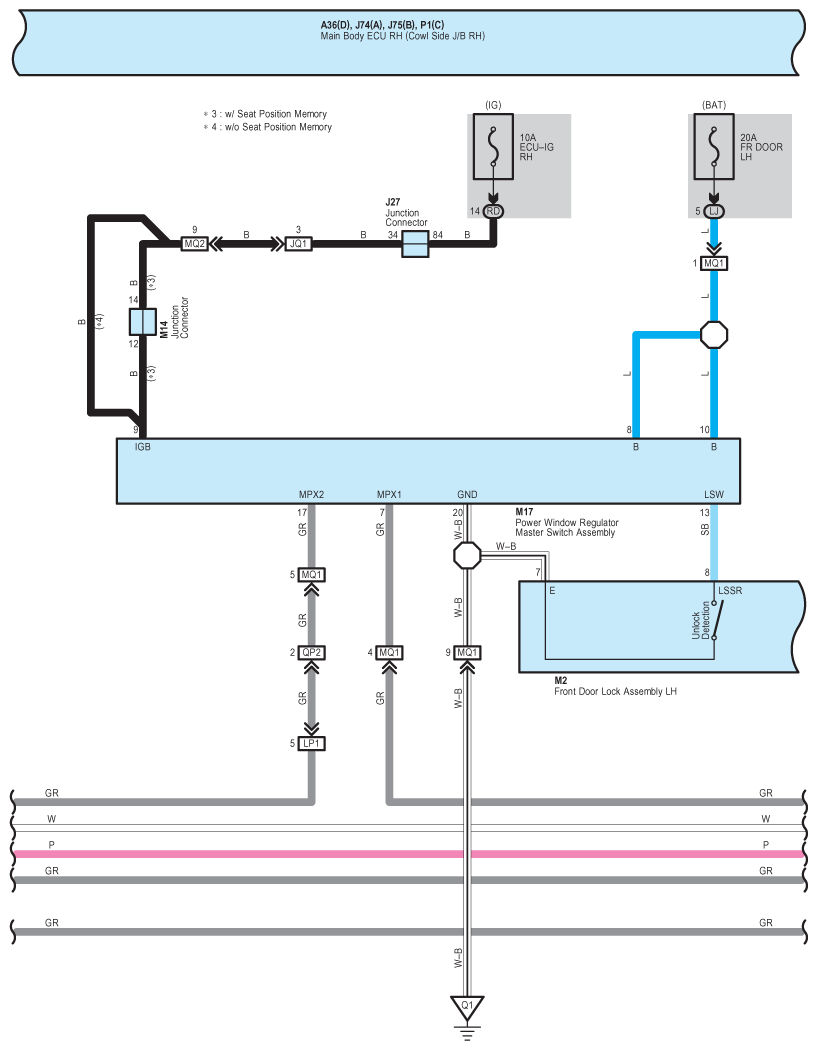
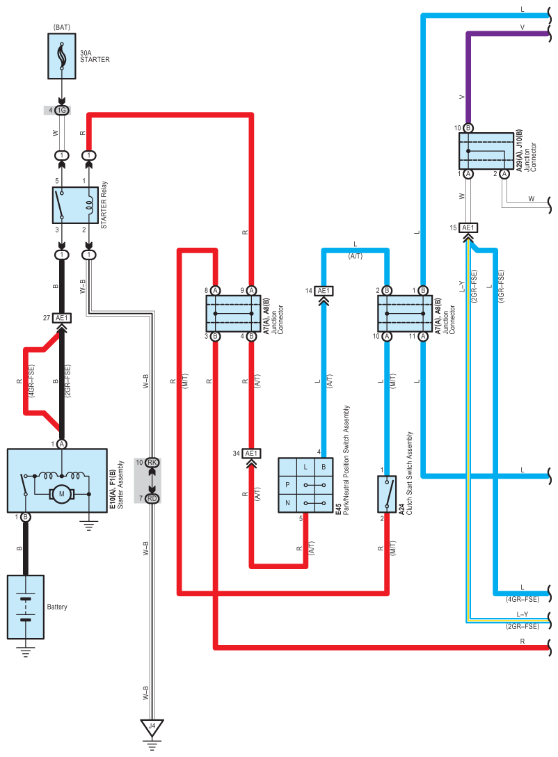
Fig 3: Engine Immobiliser System, Smart Access System With Push-Button Start, Starting, Steering Lock And Wireless Door Lock Control - Wiring Diagram (3 Of 18)
G08938563Courtesy of © TOYOTA, LICENSE AGREEMENT TMS1002
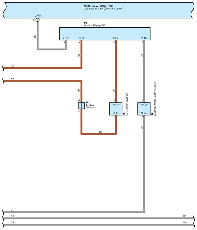
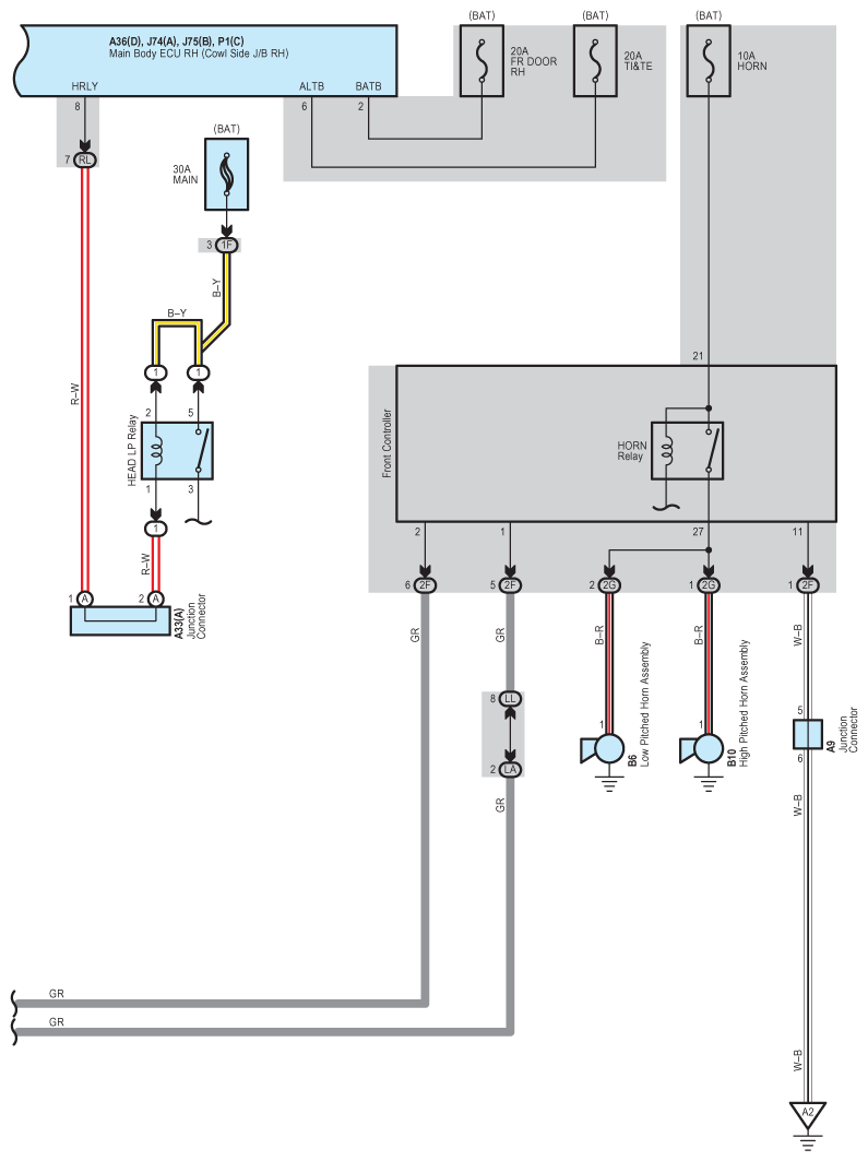
Fig 4: Engine Immobiliser System, Smart Access System With Push-Button Start, Starting, Steering Lock And Wireless Door Lock Control - Wiring Diagram (4 Of 18)
G08938564Courtesy of © TOYOTA, LICENSE AGREEMENT TMS1002
Fig 5: Engine Immobiliser System, Smart Access System With Push-Button Start, Starting, Steering Lock And Wireless Door Lock Control - Wiring Diagram (5 Of 18)
G08938565Courtesy of © TOYOTA, LICENSE AGREEMENT TMS1002
Fig 6: Engine Immobiliser System, Smart Access System With Push-Button Start, Starting, Steering Lock And Wireless Door Lock Control - Wiring Diagram (6 Of 18)
G08938566Courtesy of © TOYOTA, LICENSE AGREEMENT TMS1002
Fig 7: Engine Immobiliser System, Smart Access System With Push-Button Start, Starting, Steering Lock And Wireless Door Lock Control - Wiring Diagram (7 Of 18)
G08938567Courtesy of © TOYOTA, LICENSE AGREEMENT TMS1002
Fig 8: Engine Immobiliser System, Smart Access System With Push-Button Start, Starting, Steering Lock And Wireless Door Lock Control - Wiring Diagram (8 Of 18)
G08938568Courtesy of © TOYOTA, LICENSE AGREEMENT TMS1002
Fig 9: Engine Immobiliser System, Smart Access System With Push-Button Start, Starting, Steering Lock And Wireless Door Lock Control - Wiring Diagram (9 Of 18)
G08938569Courtesy of © TOYOTA, LICENSE AGREEMENT TMS1002
Fig 10: Engine Immobiliser System, Smart Access System With Push-Button Start, Starting, Steering Lock And Wireless Door Lock Control - Wiring Diagram (10 Of 18)
G08938570Courtesy of © TOYOTA, LICENSE AGREEMENT TMS1002
Fig 11: Engine Immobiliser System, Smart Access System With Push-Button Start, Starting, Steering Lock And Wireless Door Lock Control - Wiring Diagram (11 Of 18)
G08938571Courtesy of © TOYOTA, LICENSE AGREEMENT TMS1002
Fig 12: Engine Immobiliser System, Smart Access System With Push-Button Start, Starting, Steering Lock And Wireless Door Lock Control - Wiring Diagram (12 Of 18)
G08938572Courtesy of © TOYOTA, LICENSE AGREEMENT TMS1002
Fig 13: Engine Immobiliser System, Smart Access System With Push-Button Start, Starting, Steering Lock And Wireless Door Lock Control - Wiring Diagram (13 Of 18)
G08938573Courtesy of © TOYOTA, LICENSE AGREEMENT TMS1002
Fig 14: Engine Immobiliser System, Smart Access System With Push-Button Start, Starting, Steering Lock And Wireless Door Lock Control - Wiring Diagram (14 Of 18)
G08938574Courtesy of © TOYOTA, LICENSE AGREEMENT TMS1002
Fig 15: Engine Immobiliser System, Smart Access System With Push-Button Start, Starting, Steering Lock And Wireless Door Lock Control - Wiring Diagram (15 Of 18)
G08938575Courtesy of © TOYOTA, LICENSE AGREEMENT TMS1002
Fig 16: Engine Immobiliser System, Smart Access System With Push-Button Start, Starting, Steering Lock And Wireless Door Lock Control - Wiring Diagram (16 Of 18)
G08938576Courtesy of © TOYOTA, LICENSE AGREEMENT TMS1002
Fig 17: Engine Immobiliser System, Smart Access System With Push-Button Start, Starting, Steering Lock And Wireless Door Lock Control - Wiring Diagram (17 Of 18)
G08938577Courtesy of © TOYOTA, LICENSE AGREEMENT TMS1002
Fig 18: Engine Immobiliser System, Smart Access System With Push-Button Start, Starting, Steering Lock And Wireless Door Lock Control - Wiring Diagram (18 Of 18)
G08938578Courtesy of © TOYOTA, LICENSE AGREEMENT TMS1002