LEMON Manuals: Even more car manuals for everyone: 1960-2025
Home >> Lexus >> 2012 >> IS 250C Standard Trans >> Repair and Diagnosis >> Electrical >> Body Electrical >> OEM System Circuits >> Engine Control (2GR-FSE) >> Notes
April 5, 2026: LEMON Manuals is launched! Read the announcement.

Engine Control (2GR-FSE): Notes

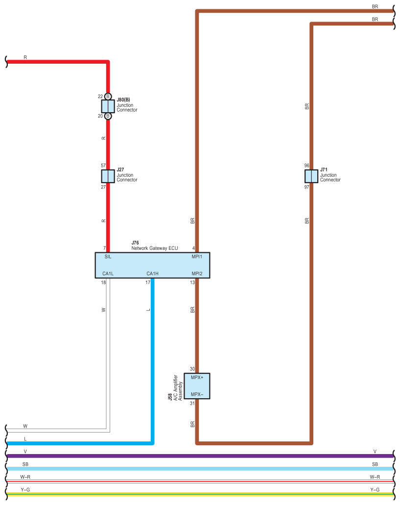
Fig 1: Engine Control (2GR-FSE) - Wiring Diagram (1 Of 16)
G08938585Courtesy of © TOYOTA, LICENSE AGREEMENT TMS1002
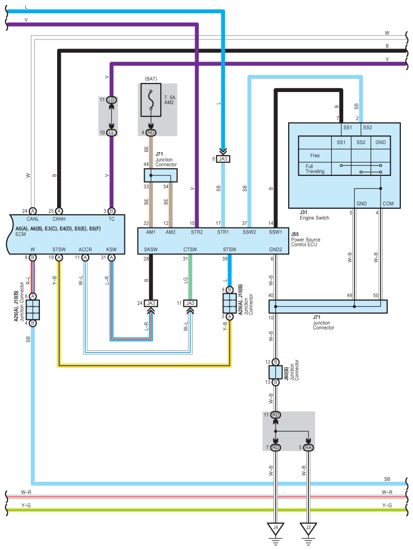
Fig 2: Engine Control (2GR-FSE) - Wiring Diagram (2 Of 16)
G08938586Courtesy of © TOYOTA, LICENSE AGREEMENT TMS1002
Fig 3: Engine Control (2GR-FSE) - Wiring Diagram (3 Of 16)
G08938587Courtesy of © TOYOTA, LICENSE AGREEMENT TMS1002
Fig 4: Engine Control (2GR-FSE) - Wiring Diagram (4 Of 16)
G08938588Courtesy of © TOYOTA, LICENSE AGREEMENT TMS1002
Fig 5: Engine Control (2GR-FSE) - Wiring Diagram (5 Of 16)
G08938589Courtesy of © TOYOTA, LICENSE AGREEMENT TMS1002
Fig 6: Engine Control (2GR-FSE) - Wiring Diagram (6 Of 16)
G08938590Courtesy of © TOYOTA, LICENSE AGREEMENT TMS1002
Fig 7: Engine Control (2GR-FSE) - Wiring Diagram (7 Of 16)
G08938591Courtesy of © TOYOTA, LICENSE AGREEMENT TMS1002
Fig 8: Engine Control (2GR-FSE) - Wiring Diagram (8 Of 16)
G08938592Courtesy of © TOYOTA, LICENSE AGREEMENT TMS1002
Fig 9: Engine Control (2GR-FSE) - Wiring Diagram (9 Of 16)
G08938593Courtesy of © TOYOTA, LICENSE AGREEMENT TMS1002
Fig 10: Engine Control (2GR-FSE) - Wiring Diagram (10 Of 16)
G08938594Courtesy of © TOYOTA, LICENSE AGREEMENT TMS1002
Fig 11: Engine Control (2GR-FSE) - Wiring Diagram (11 Of 16)
G08938595Courtesy of © TOYOTA, LICENSE AGREEMENT TMS1002
Fig 12: Engine Control (2GR-FSE) - Wiring Diagram (12 Of 16)
G08938596Courtesy of © TOYOTA, LICENSE AGREEMENT TMS1002
Fig 13: Engine Control (2GR-FSE) - Wiring Diagram (13 Of 16)
G08938597Courtesy of © TOYOTA, LICENSE AGREEMENT TMS1002
Fig 14: Engine Control (2GR-FSE) - Wiring Diagram (14 Of 16)
G08938598Courtesy of © TOYOTA, LICENSE AGREEMENT TMS1002
Fig 15: Engine Control (2GR-FSE) - Wiring Diagram (15 Of 16)
G08938599Courtesy of © TOYOTA, LICENSE AGREEMENT TMS1002
Fig 16: Engine Control (2GR-FSE) - Wiring Diagram (16 Of 16)
G08938600Courtesy of © TOYOTA, LICENSE AGREEMENT TMS1002